EasyManua.ls Logo

Hydthc CHC-1000S - Brief Introduction; Introduction to CHC-1000 S

Hydthc CHC-1000S
28 pages
Print Icon
To Next Page IconTo Next Page
To Next Page IconTo Next Page
To Previous Page IconTo Previous Page
To Previous Page IconTo Previous Page
Loading...
宏宇达数控 & 弘宇达智能
地址:深圳市南山区中山园路 1001 E4-6CTCL 国际 E 城)
TEL0755-26625800 FAX0755-26729960 -3-
1Brief introduction
1.1 Introduction
CHC-1000S capacitance height controller(Hereinafter referred to as CHC-1000S). In
the laser cutting process, the distance between the nozzle and the surface of the
workpiece is not constant due to factors such as uneven workpiece and cutting high-
pressure air jet, which will have a negative effect on the cutting effect and may even
crash the nozzle. CHC-1000S can keep the distance between the nozzle and the
workpiece surface constant during high-speed laser cutting, protect the nozzle from
colliding with the workpiece, and greatly improve the cutting effect. The capacitance
sensor on the cutting head can detect the distance from the nozzle to the surface of the
workpiece, and send it to the adjustment box for processing through the preamplifier. The
output signal is sent to the servo controller to control the Z axis.
CHC-1000S can be used as a controller to output the voltage, or as a distance
measurement system to output the distance signal, it depends on the selected mode:
sensor control mode or distance measurement system mode.
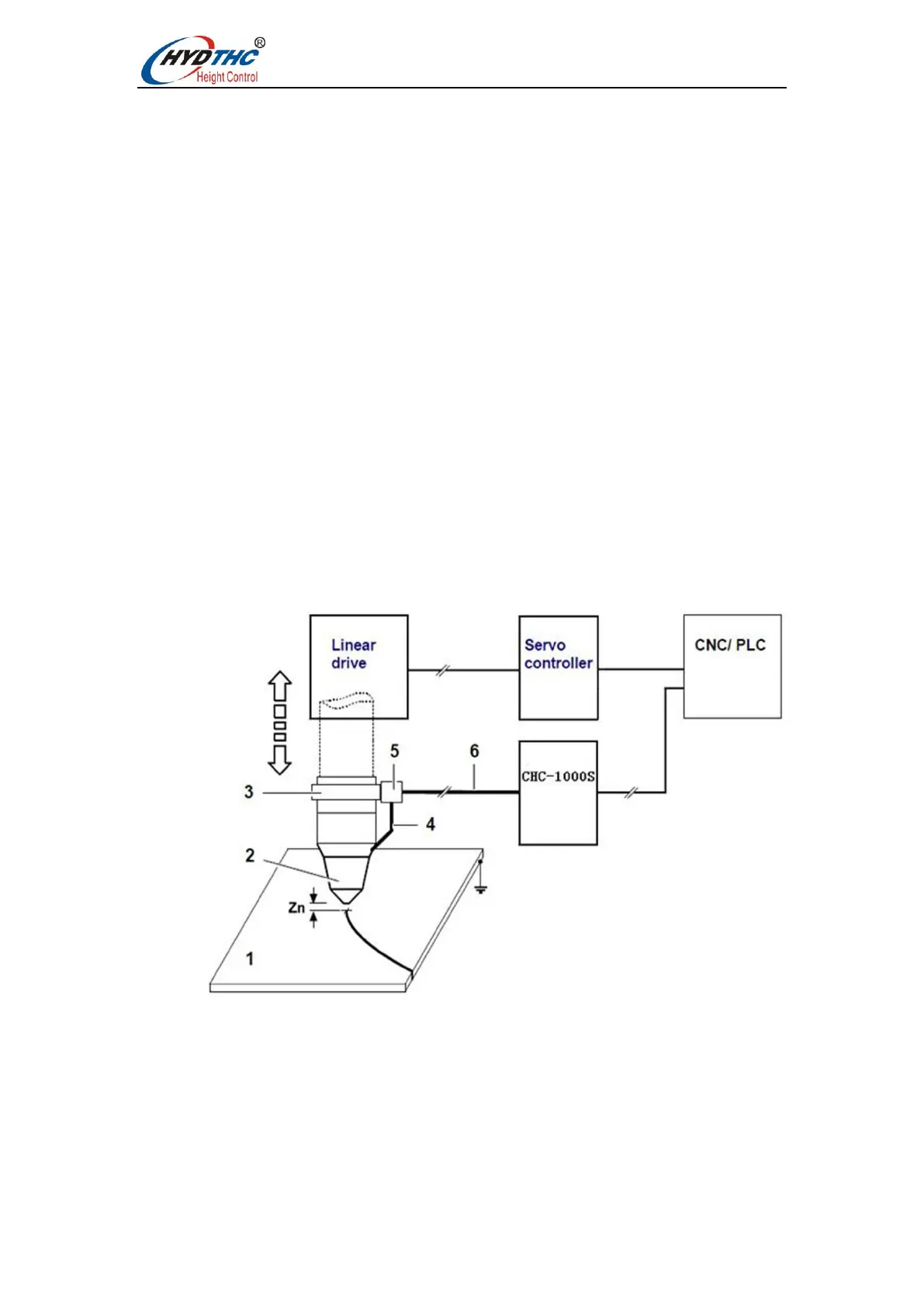
1-1. system diagram
1 workpiece 4 electrode cable
2 sensor 5 preamplifier
3 laser head 6 sensor cable

Related product manuals