EasyManua.ls Logo

Icom IC-7410

Icom IC-7410
124 pages
To Next Page IconTo Next Page
To Next Page IconTo Next Page
To Previous Page IconTo Previous Page
To Previous Page IconTo Previous Page
Loading...
21
2
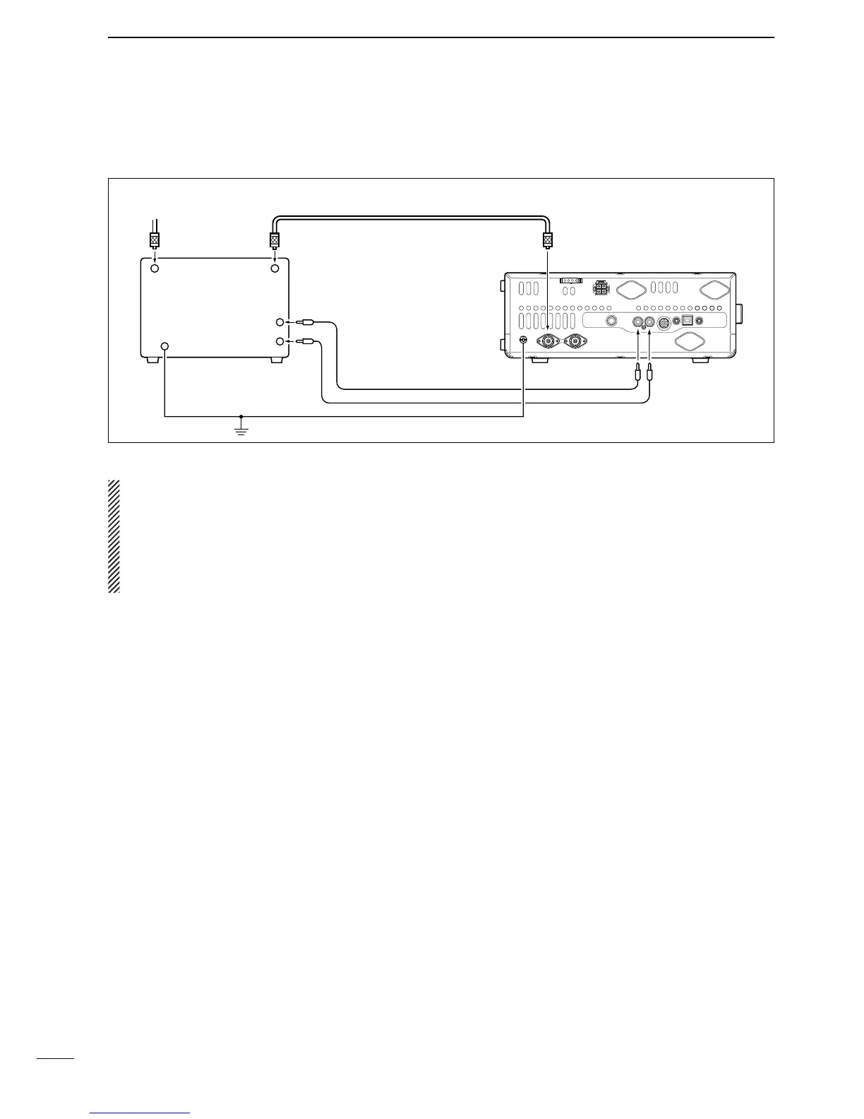
INSTALLATION AND CONNECTIONS
N Linear amplifier connections (Continued)
D#ONNECTINGANON)COMLINEARAMPLIlER
R WARNING!
s3ETTHETRANSCEIVEROUTPUTPOWERANDLINEARAMPLIlER!,#OUTPUTLEVELAFTERREFERRINGTOTHELINEARAMPLIlERIN-
struction manual.
s4HE!,#INPUTLEVELMUSTBEINTHERANGE6TOn64HETRANSCEIVERDOESNOTACCEPTAPOSITIVEVOLTAGE.ON
matched ALC and RF power settings could overheat or damage the linear amplifier.
s4HE)#3%.$TERMINAL!##CONNECTORPINISRATEDAT6!$#)FTHISVALUEISEXCEEDEDALARGER
external relay must be used.
50 ø coaxial cable
To an antenna
Non-Icom linear
amplifier
RF OUTPUT
Transceiver
[GND] [ALC]
GND
[ANT1]
ALC
SEND
[SEND]
RF INPUT
Ground

Other manuals for Icom IC-7410

Related product manuals