EasyManua.ls Logo

IFM PI2897 - Menu structure: level 2 (extended functions)

IFM PI2897
33 pages
Print Icon
To Next Page IconTo Next Page
To Next Page IconTo Next Page
To Previous Page IconTo Previous Page
To Previous Page IconTo Previous Page
Loading...
16
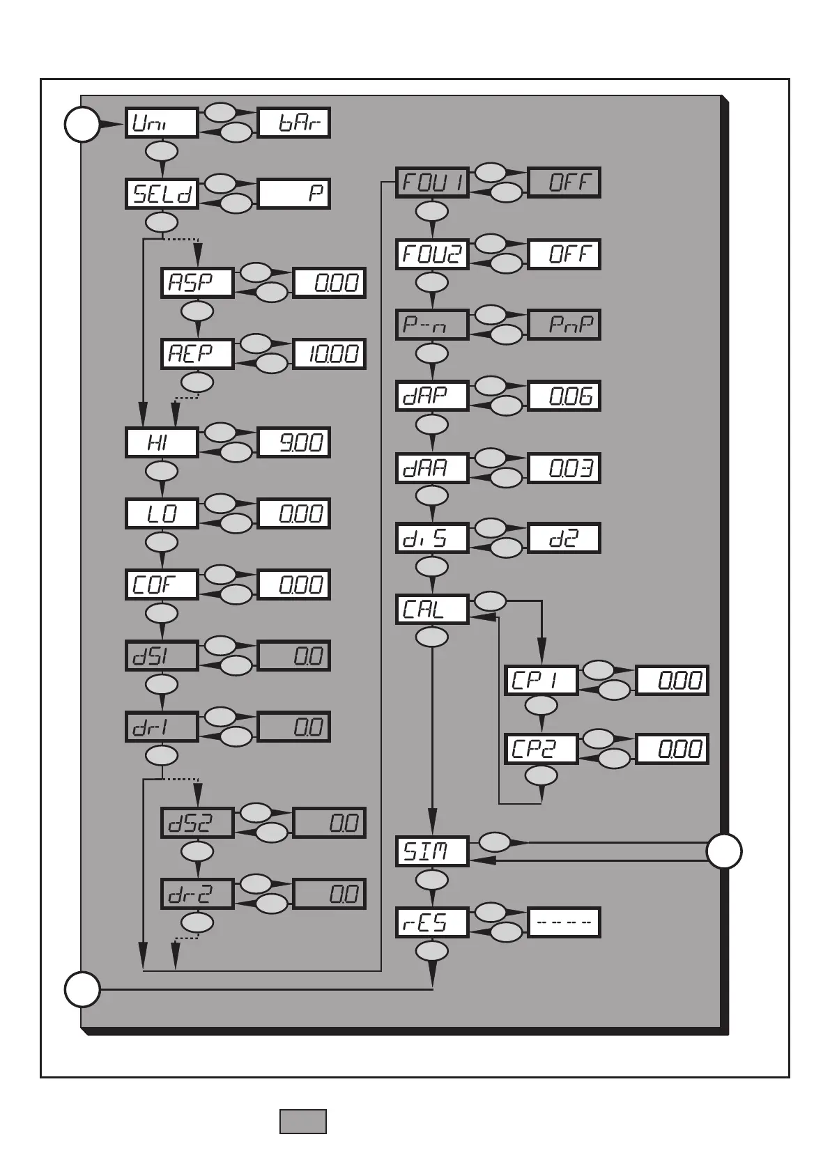
8.3 Menu structure: level 2 (extended functions)
M
M
S
M
M
S
M
M
S
M
M
S
M
M
S
M
S
M
M
S
M
M
S
M
M
S
1
1
M
M
M
S
M
M
S
M
S
M
S
M
S
M
S
M
M
M
M
M
M
S
M
M
S
M
M
S
M
M
M
S
M
S
M
S
2
S
M
1: Change to the main menu; 2: Change to menu level 3 (simulation).
Menu items highlighted grey (
ASP
) are not active in 2-wire operation.

Related product manuals