EasyManua.ls Logo

IMC C SERIES - Page 56

IMC C SERIES
185 pages
Print Icon
To Next Page IconTo Next Page
To Next Page IconTo Next Page
To Previous Page IconTo Previous Page
To Previous Page IconTo Previous Page
Loading...
© 2018 imc Test & Measurement GmbH
imc C-SERIES - Manual, Version 4 R 3 - 2018-10-19
56 Properties of the imc C-SERIES
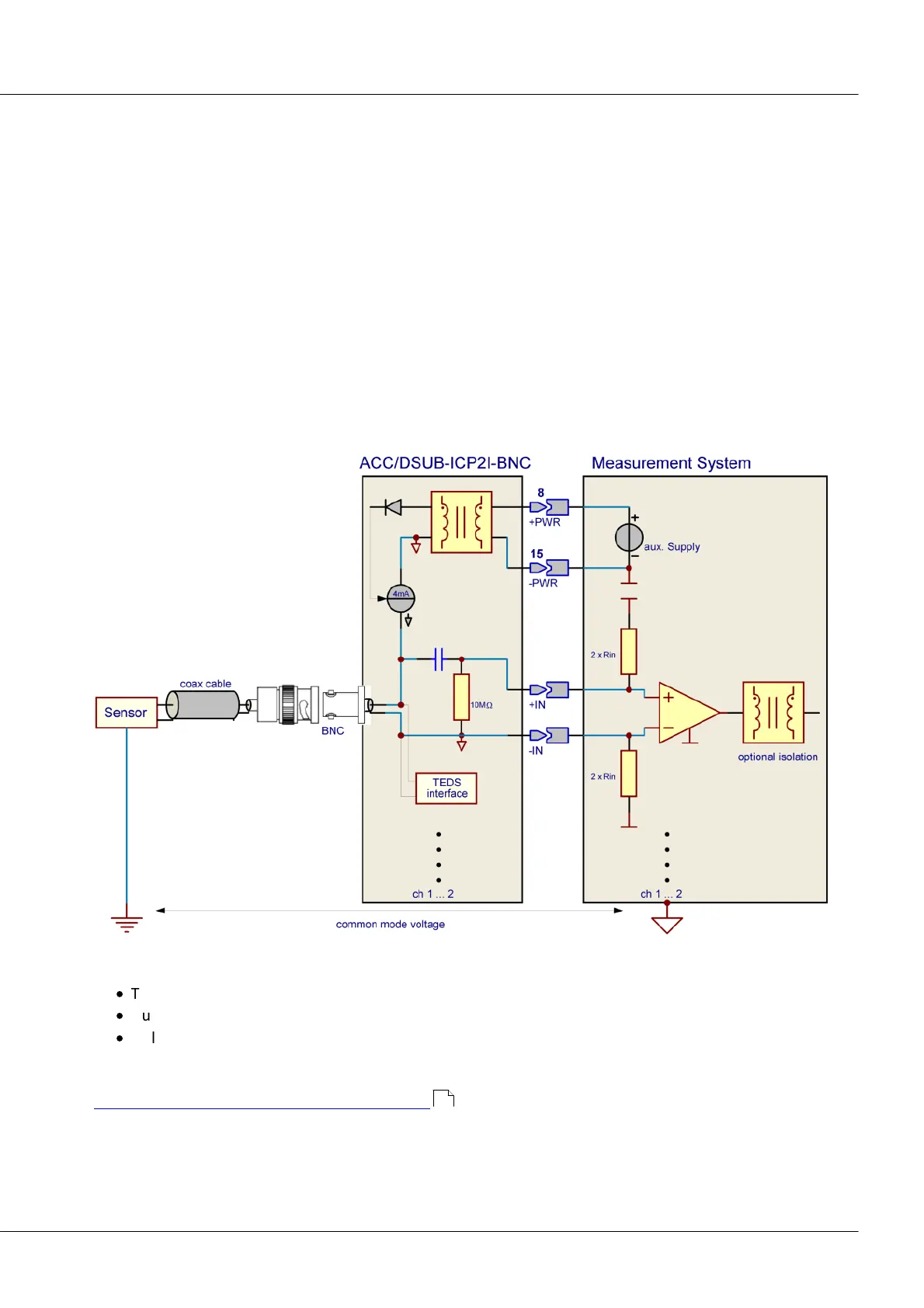
4.8.5 ACC/DSUB(M)-ICP2I-BNC
To support direct connection of current-fed IEPE-sensors such as ICP™ -, DeltaTron®-, or PiezoTron®-
sensors, a 4 mA supply current plus AC-coupling are provided. This ICP conditioning is channel-wise-
isolated for optimal ground loop suppression and support of both grounded transducers or electrically
isolated sensor installations. This isolation is the difference between this expansion connector and the
ACC/DSUB-ICP2-BNC connector. This plug (ACC/DSUB(M)-ICP2I-BNC) is intended to extend voltage and
bridge amplifiers with DSUB-15 connectors. Such measurement amplifiers can be isolated or non-isolated
types.
If the sensors incorporates an integrated Transducer Electronic Data Sheet (TEDS, conforming to standard
IEEE 1451.4), this information can be read and imported automatically.
The isolated design allows TEDS support for grounded transducers and triaxial types in particular, that
use one common ground reference.
Each channel provides a status LED to indicate error conditions such as probe breakage or short circuit. If
the connection to the sensor is lost, the LED will shine.
Highlights
·
The current is monitored and in case of probe breakage, the error (breakage) will be indicated.
·
During the configuration process, the LEDs will shine for a short period and then switch off again.
·
Only AC variables can be captured using IEPE/ICP-sensors. The expansion connector has an AC
voltage coupling. Its signal experiences transients for about 10 s, depending on the measurement
input type and on the measurement range.
Technical Specs of the ACC/DSUB(M)-ICP2I-BNC.
160

Table of Contents

Related product manuals