EasyManua.ls Logo

IMO iDrive - Page 61

IMO iDrive
90 pages
Print Icon
To Next Page IconTo Next Page
To Next Page IconTo Next Page
To Previous Page IconTo Previous Page
To Previous Page IconTo Previous Page
Loading...
Chapter 4 Software index
4-28
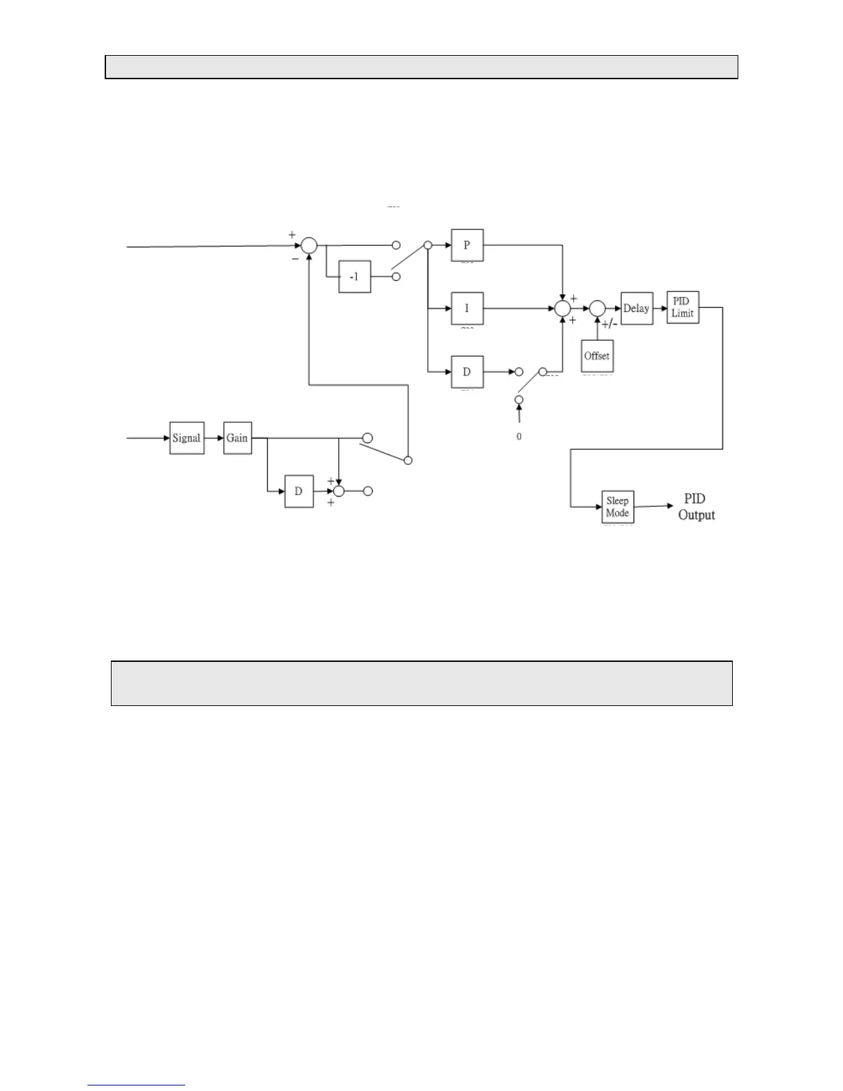
b74 PID update time (s) : 00.0 - 02.5
b74: the refresh time of PID output command.
Note: PID function is used in flow control, fan air volume control and temperature control.
Control flow is as the following figure:
A01
b67 = 1 or 2
(Forward)
Frequency Command
(PID Set point)
b69
b67 =
3 or 4
(Reverse)
Upper=A02
Lower=A03
b74
b70
b72/b73
b67
=1,3
b71
b41 (AIN) =18
(PID Feedback)
b67
=2,4
b67=1,3
b68
b61
AIN
Signal
Select
b67=2,4
b71
b75/b76
1. In PID mode, select AIN on TM2 as PID feedback signal, Set b41 = 018.
2. The PID set-point control input is set by parameter A01 (selections 000 & 001).
This value is stored in b45.
b75 PID Sleep frequency (Hz) 00.0~200Hz
b76 PID Sleep delay time (sec) 00.0~25.5sec
PID sleep mode can be set by using function codes below: -
b67 = 001~004 (PID Enable)
b41 = 018 (AIN is PID feedback signal)
b45 = PID preset frequency
b75 = sleep start frequency, (Hz)
b76 = PID sleep delay time, (s)
When PID output frequency becomes lower than PID sleep start frequency (b75) for
a period of time (b76), the inverter output will decelerate to zero speed (Sleep mode). When the PID
output frequency becomes higher than the sleep start frequency (b75), the inverter output
accelerates to PID output frequency (Wake-up mode).

Related product manuals