EasyManua.ls Logo

Inovance SV820N Series - 3.1.5 Precautions for Main Circuit Wiring

Inovance SV820N Series
181 pages
To Next Page IconTo Next Page
To Next Page IconTo Next Page
To Previous Page IconTo Previous Page
To Previous Page IconTo Previous Page
Loading...
- 39 -
3 Wiring
3
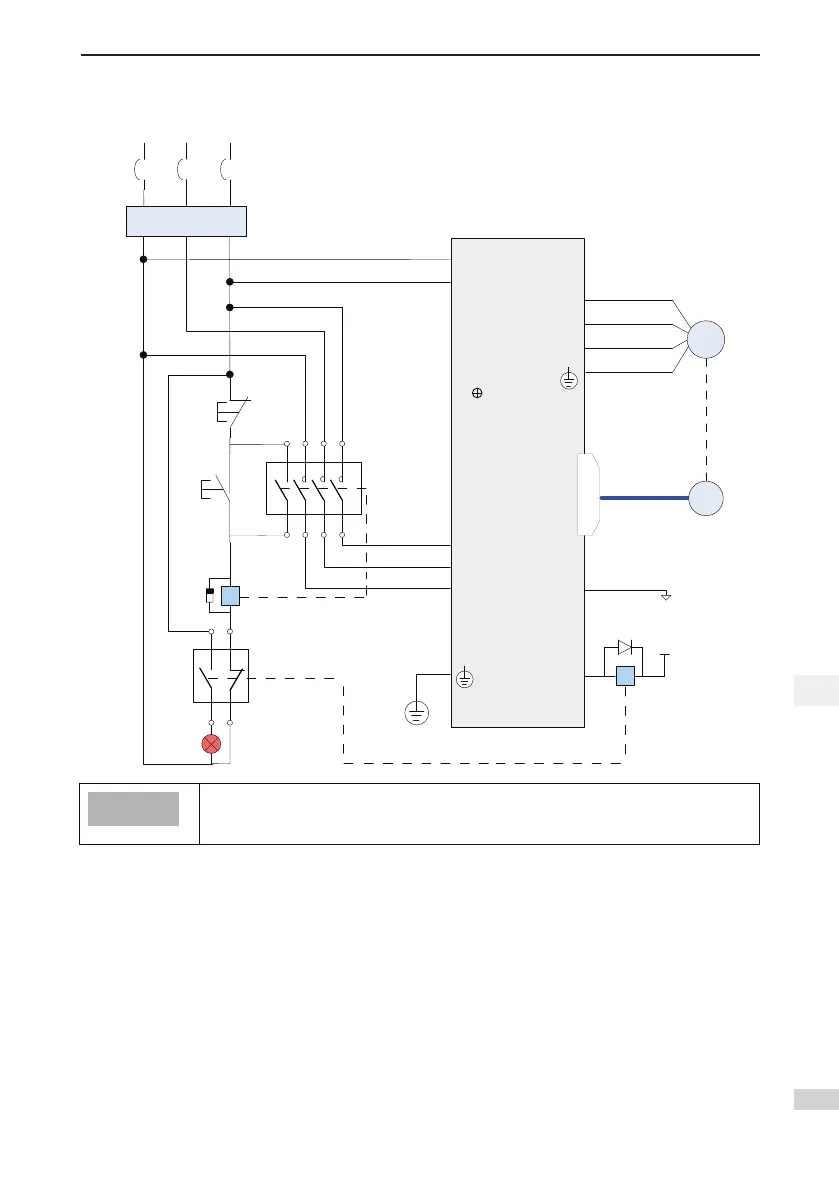
Figure 3-6 Main circuit wiring for three-phase 220 V power
Noise filter
L1C
L2C
L1
L2
L3
U
V
W
ALM-
ALM+
24V
COM
P
C
N
X1/X2
Three-phase 220 V AC
Surge
protectio
n device
(SPD)
1D
1Ry
1KM
Main circuit
power input
contactor
Run
button
Stop
button
Servo alarm
output relay
Servo alarm
indicator
Servo alarm
signal output
Servo drive
M
PG
Note
1KM:Electromagneticcontactor;1RY:Relay;1D:Flywheeldiode;
DOsaresetasfaultoutput(ALM+/-);whentheservodrivealarms,thepowersupplyiscut
off automatically and the alarm indicator turns ON.

Table of Contents

Related product manuals