EasyManua.ls Logo

Inovance SV820N Series - Wiring to Communication Signal Connectors (CN4 CN5); Wiring Diagram

Inovance SV820N Series
181 pages
To Next Page IconTo Next Page
To Next Page IconTo Next Page
To Previous Page IconTo Previous Page
To Previous Page IconTo Previous Page
Loading...
- 58 -
3 Wiring
3
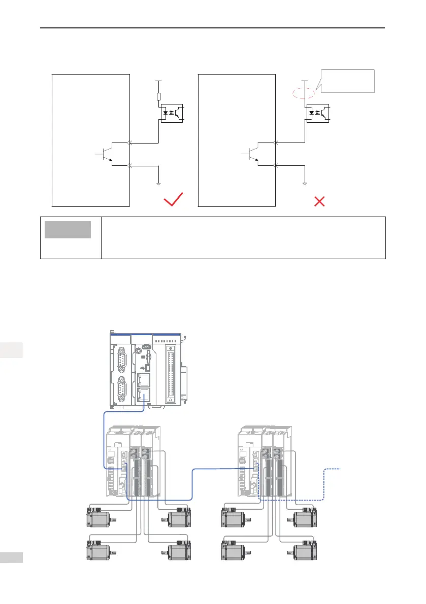
When the host controller provides optocoupler input:
Servo drive
External
524 V DC
DO1-
DO1+
Optocoupler
External 0 V
34
33
Servo Drive
External
524 V DC
DO1-
DO1+
Optocoupler
External 0 V
The current limiting
resistor is not
connected
34
33
Note
The maximum allowable voltage and current of the optocoupler output circuit inside the servo
driveareasfollows:
Maximumvoltage:30VDC
Maximumcurrent:DC50mA
3.6 Wiring to Communication Signal Connectors (CN4/CN5)
3.6.1 Wiring Diagram
Figure 3-14 Networktopologyofcommunicationgroup
AM600
MFK
RUN/
STOP
3940
2 1
CN5
CN1 RS485 CN2 CAN
CN3 Ethernet CN4 EtherCAT
CANERR
CANRUN
BF
SF
ERR
RUN
0
1 2 3
765
4
2 76
541
0 3
4 5
6 73
210
I
II
SV820N SV820N
.

Table of Contents

Related product manuals