EasyManua.ls Logo

Invacare electra - 6.2 Driving the Scooter

Invacare electra
36 pages
Print Icon
To Next Page IconTo Next Page
To Next Page IconTo Next Page
To Previous Page IconTo Previous Page
To Previous Page IconTo Previous Page
Loading...
Service Manual Invacare
®
Electra
As at: 15.04.02 Page 23
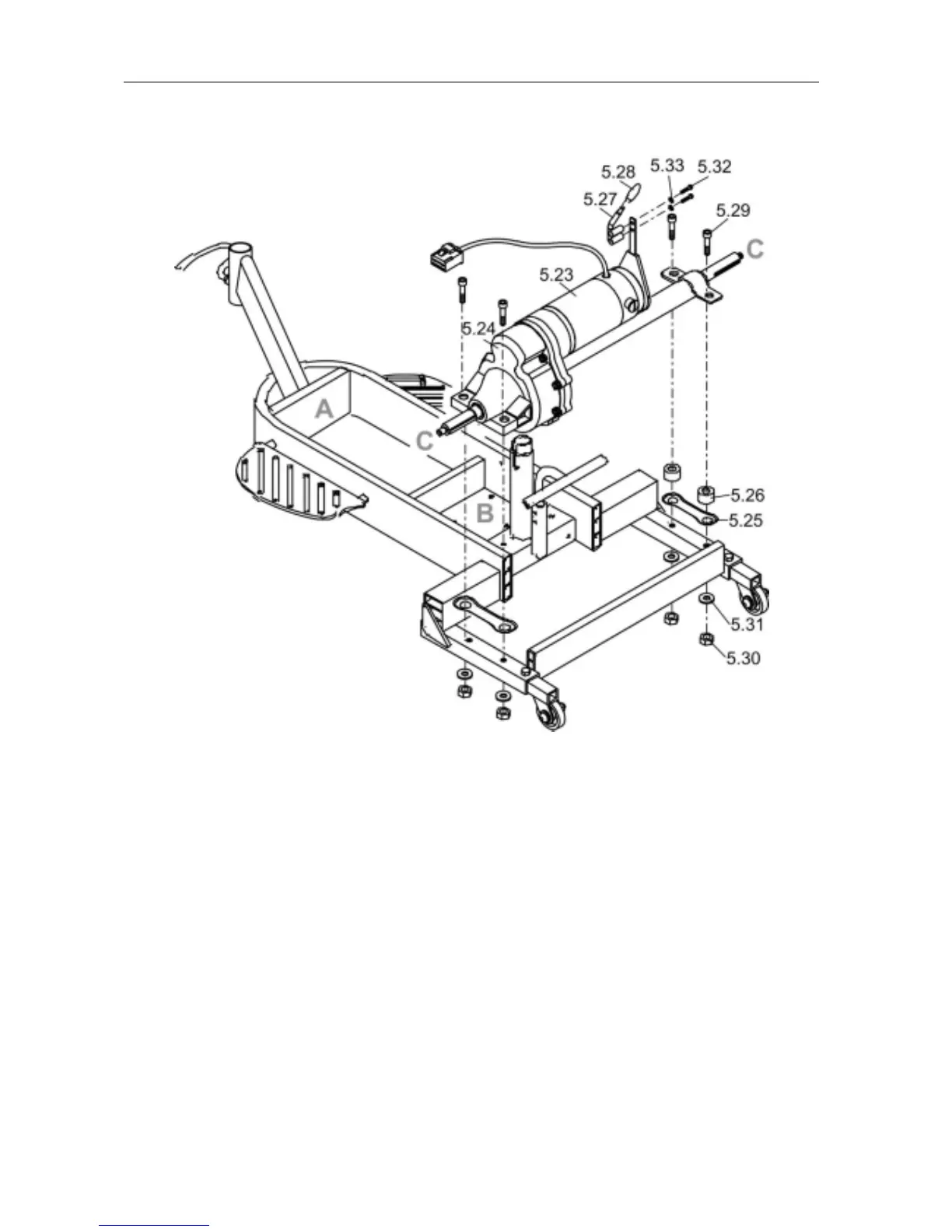
9.6 Drive unit
9.6.1 Components:
Item Qty. Description Item Qty. Description
5.23
5.24
5.25
5.26
5.27
5.28
1
1
2
2
1
1
Drive unit
Reduction gears
Rubber bumper
Spacer
Disengaging lever
Knob
5.29
5.30
5.31
5.32
5.33
4
4
4
2
2
Bolt, M8 X 55
Nut M8, self-locking
Washer, M8 X 1,6
Bolt, M5
Spring washer, M5
9.6.2 Components involved:
A Chassis (chapter: 9.4 page: 20)
B Battery / electronics (chapter: 10.1 page: 26)
C Drive wheels (chapter: 9.7 page: 25)

Table of Contents

Other manuals for Invacare electra

Related product manuals