EasyManua.ls Logo

Invacare electra - 6.4 Error Codes and Diagnostic Codes

Invacare electra
36 pages
Print Icon
To Next Page IconTo Next Page
To Next Page IconTo Next Page
To Previous Page IconTo Previous Page
To Previous Page IconTo Previous Page
Loading...
Invacare
®
Electra Service Manual
Page 26 As at:15.04.02
10 Service and repair - electrics and electronics
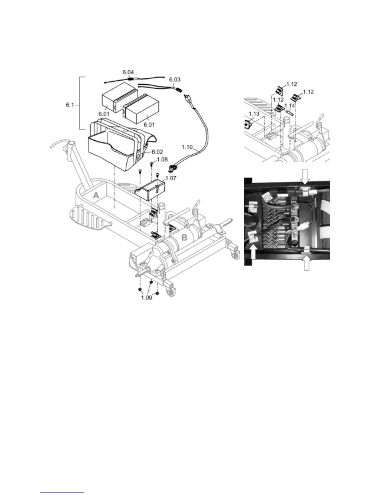
10.1 Batteries / main fuse / controller
Detail:
Cable clamp position
10.1.1 Components:
Item Qty. Description Item Qty. Description
1.07
1.08
1.09
1.10
1.12
1.13
1.14
1
3
3
1
1
Electronics, RHINO DS 72 K01
Bolt, M4 X 25
Nut M4, self-locking
Mains cable
Cable holder, PTS-0910
Cable holder, PTS-1214
40 A fuse
6.1
6.01
6.02
6.03
6.04
1
2
1
1
1
Battery, complete
Battery, SP-53
Pocket, black
Cable with connector plug,
complete
Cable with fuse, complete
10.1.2 Components involved:
A Chassis (chapter: 9.4 page: 20)
B Drive unit (chapter: 9.6 page: 23)

Table of Contents

Other manuals for Invacare electra

Related product manuals