EasyManua.ls Logo

Invacare IRC5P - Page 57

Invacare IRC5P
88 pages
Print Icon
To Next Page IconTo Next Page
To Next Page IconTo Next Page
To Previous Page IconTo Previous Page
To Previous Page IconTo Previous Page
Loading...
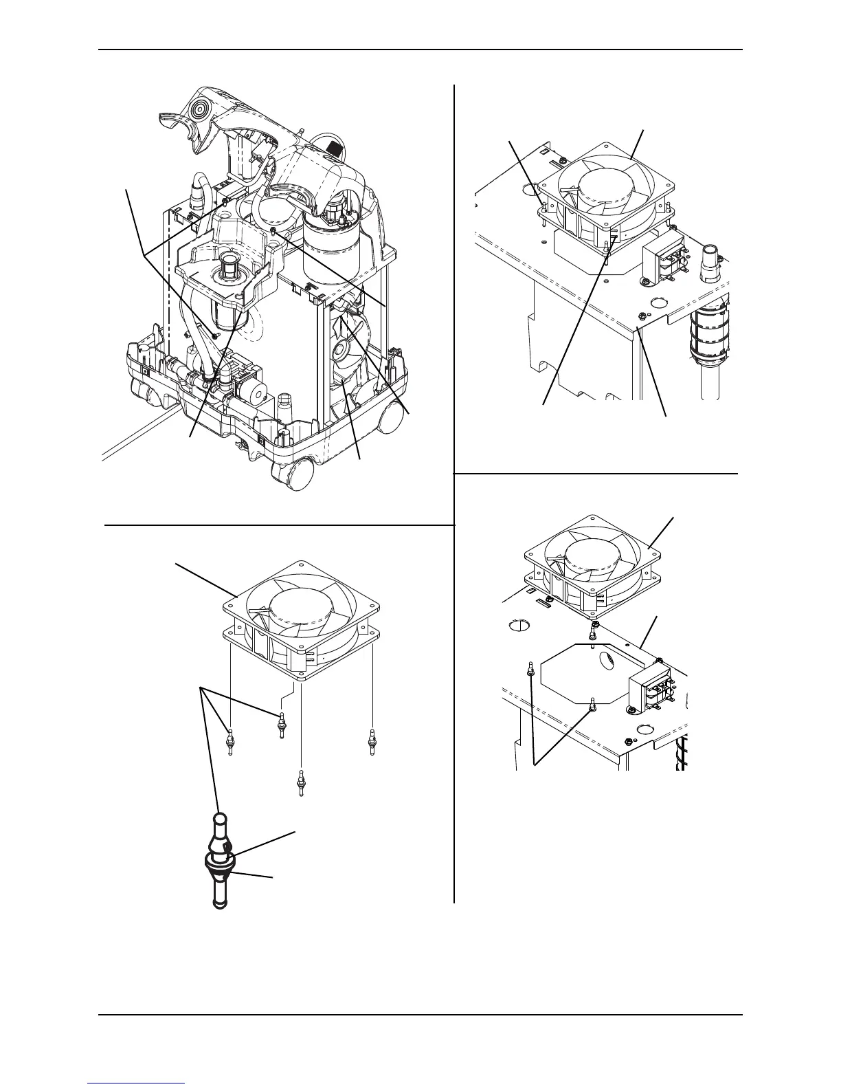
SECTION 14—COOLING FAN
Part No 1148070 57 Perfecto
2
FIGURE 14.1 Replacing Cooling Fan
NOTE:SieveBedsarenotshownforclarity.
Mounting
Screws
Mounting
Screw
Resonator
Housing
Intake
Hose
Compressor
Assembly
DETAIL “A”
DETAIL “B”
Fan Terminals
(Spade Connectors
attach here)
Cooling Fan
Rubber
Grommet
DETAIL “C”
Cooling
Fan
Rubber
Grommets
Soundbox
DETAIL “D”
NOTE:Coolingfanremovedfrom
rubbergrommetstoshowproper
installationofgrommetsin
Cooling
Fan
Rubber Grommets
Soundbox
Larger recessed area
to be installed in fan.
Smaller recessed area to be
installed in soundbox.

Table of Contents

Other manuals for Invacare IRC5P

Related product manuals