EasyManua.ls Logo

IPSO PS40 - Page 26

IPSO PS40
99 pages
Print Icon
To Next Page IconTo Next Page
To Next Page IconTo Next Page
To Previous Page IconTo Previous Page
To Previous Page IconTo Previous Page
Loading...
26
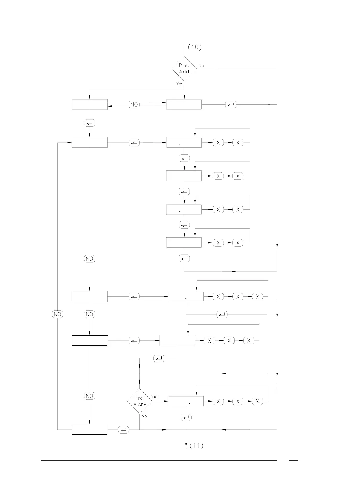
no Add Add
Cool Cd'& ((
Cd' ((
Cdu ((
Cdu& ((
StoP
StoP (((
SoAk SoAk (((
AlArM(((
no Add

Table of Contents