EasyManua.ls Logo

ISHIDA IPC 3kg - Chapter 3 Hardware Configuration

ISHIDA IPC 3kg
29 pages
Print Icon
To Next Page IconTo Next Page
To Next Page IconTo Next Page
To Previous Page IconTo Previous Page
To Previous Page IconTo Previous Page
Loading...
Manual No. 0183B 14/29 IPC Series Service Manual
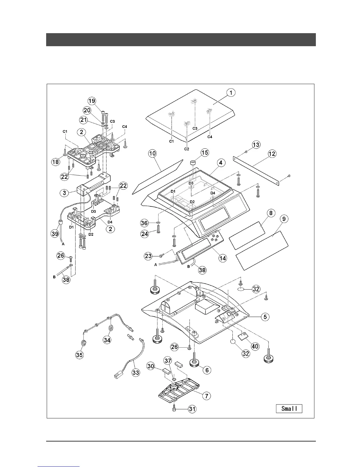
Chapter 3 Hardware Configuration
3.1 Mechanisms
3.1.1 Small Size (3kg, 6kg)

Related product manuals