EasyManua.ls Logo

Jacobsen AR-3 - Raise;Lower Circuit Schematic

Jacobsen AR-3
342 pages
Print Icon
To Next Page IconTo Next Page
To Next Page IconTo Next Page
To Previous Page IconTo Previous Page
To Previous Page IconTo Previous Page
Loading...
ELECTRICAL
4181384 First Edition 4-37
4
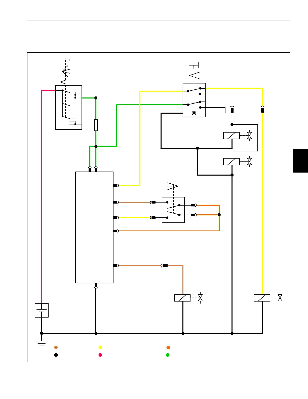
Raise/Lower Circuit Schematic
See Figure 4-20.
Figure 4-20
Wht
Blk
S1
Key
Switch
G1
Battery
Off
Heat
Run
Wht
Start
30
AC
19
50
Brn
Brn
+
-
Lower CircuitRaise Circuit
Unswitched Power Circuit Switched Power Circuit
5-Volt Power Circuit
Ground Circuit
Ground
F10
10A
Fuse
Grn/BlK Grn/BlK
(13) Yel/Vio
A1
Control
Module
Grn/
Vio
Grn/
Vio
(8)(3)
Grn/
Vio
Power
(1)
Blk
12V Raise Sol output
5 Volt Power Supply
12V Lower Sol Output
5V Raise Sw Input
5V Lower Sw Input
(1)
(3)
(4)
(6)
(5)
(7)
(8)
(2)
Blk
Raise
Off
(14)
(15)
(2)
(9)
(2)
(5)
Lower
Yel/Vio
On
Grn/Red
Yel/Org
Yel/Red
Off
Grn/Vio
S7
Weight
Transfer
Switch
(1) Grn/Blk
(4) Grn/Blk
Red/Blk
Org/Blk
Blk
Yel/
Red
Yel/
Red
Yel/
Red
Y5
Lower
Solenoid
(5)
X3
Blk
Blk
Blk
Blk
Blk
Grn/Vio
Yel/
Org
Y7
Weight
Transfer
Solenoid
(10)
X1
Blk
BlkBlkBlk
(8)Grn/Wht
Grn/
Wht
Y4
Raise
Solenoid
X1
TN1140
S8
Raise/Lower
Switch
Y6
Weight
Transfer
Solenoid

Table of Contents

Related product manuals