EasyManua.ls Logo

Jacobsen AR-3 - Park Brake Circuit Schematic-Brake Locked

Jacobsen AR-3
342 pages
Print Icon
To Next Page IconTo Next Page
To Next Page IconTo Next Page
To Previous Page IconTo Previous Page
To Previous Page IconTo Previous Page
Loading...
4-42 4181384 First Edition
ELECTRICAL
4
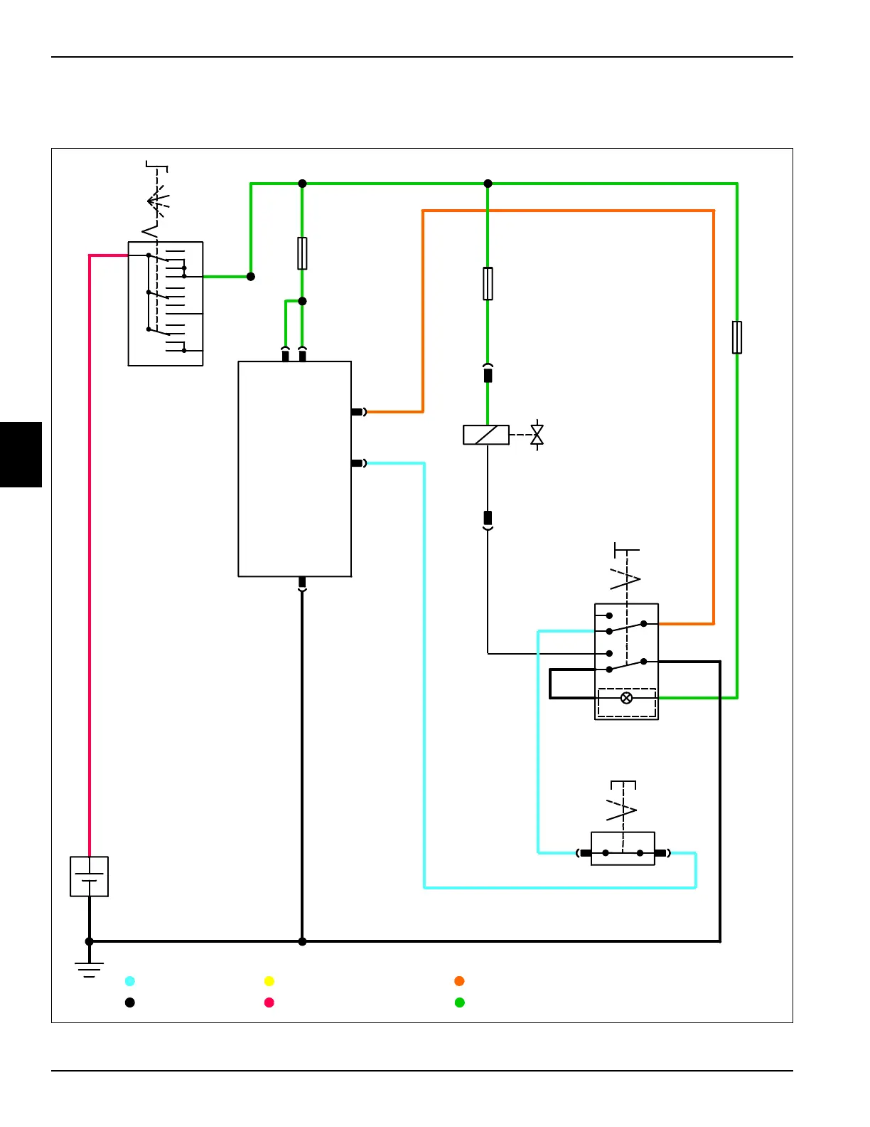
Park Brake Circuit Schematic—Brake Locked
See Figure 4-23.
Figure 4-23
TN1171
Wht
BlkBlk
S1
Key
Switch
G1
Battery
Off
Heat
Run
Wht
Wht
Wht
Start
30
AC
19
50
Brn
Brn
+
-
Brake Solenoid CircuitInterlock Circuit
Unswitched Power Circuit Switched Power Circuit
5-Volt Power Circuit
Ground Circuit
Ground
F10
10A
Fuse
Grn/Blk
Grn/Blk
Grn/Blk
Grn/
Pnk
F9
5A
Fuse
Wht
(2) Grn/Blk
(16) Grn/Gry
Grn/Gry Grn/Gry
Grn/Gry
A1
Control
Module
Blk
Grn/Pnk
Grn/
Vio
(8)(3)
Grn/
Vio
Power
(1)
Grn/Gry (3)
(6)
Blu/Yel(4)
(5)
(8)
Blk/Yel (7)
(2)
Brake
Released
Brake
Locked
S6
Park
Brake
Switch
(1)
Blk
Blk
Neutral
Pedal
Engaged
S11
Neutral
Switch
5V Park Brake Sw Input
5 Volt Power Supply
F4
5A
Fuse
Grn/
Yel
Grn
Wht
X1
(6)
(3)
X3
Blu/
Yel
Blu/
Yel
Y2
Brake
Solenoid
If equipped

Table of Contents

Related product manuals