EasyManua.ls Logo

janitza UMG507 - Connection Example

janitza UMG507
48 pages
Print Icon
To Next Page IconTo Next Page
To Next Page IconTo Next Page
To Previous Page IconTo Previous Page
To Previous Page IconTo Previous Page
Loading...
47
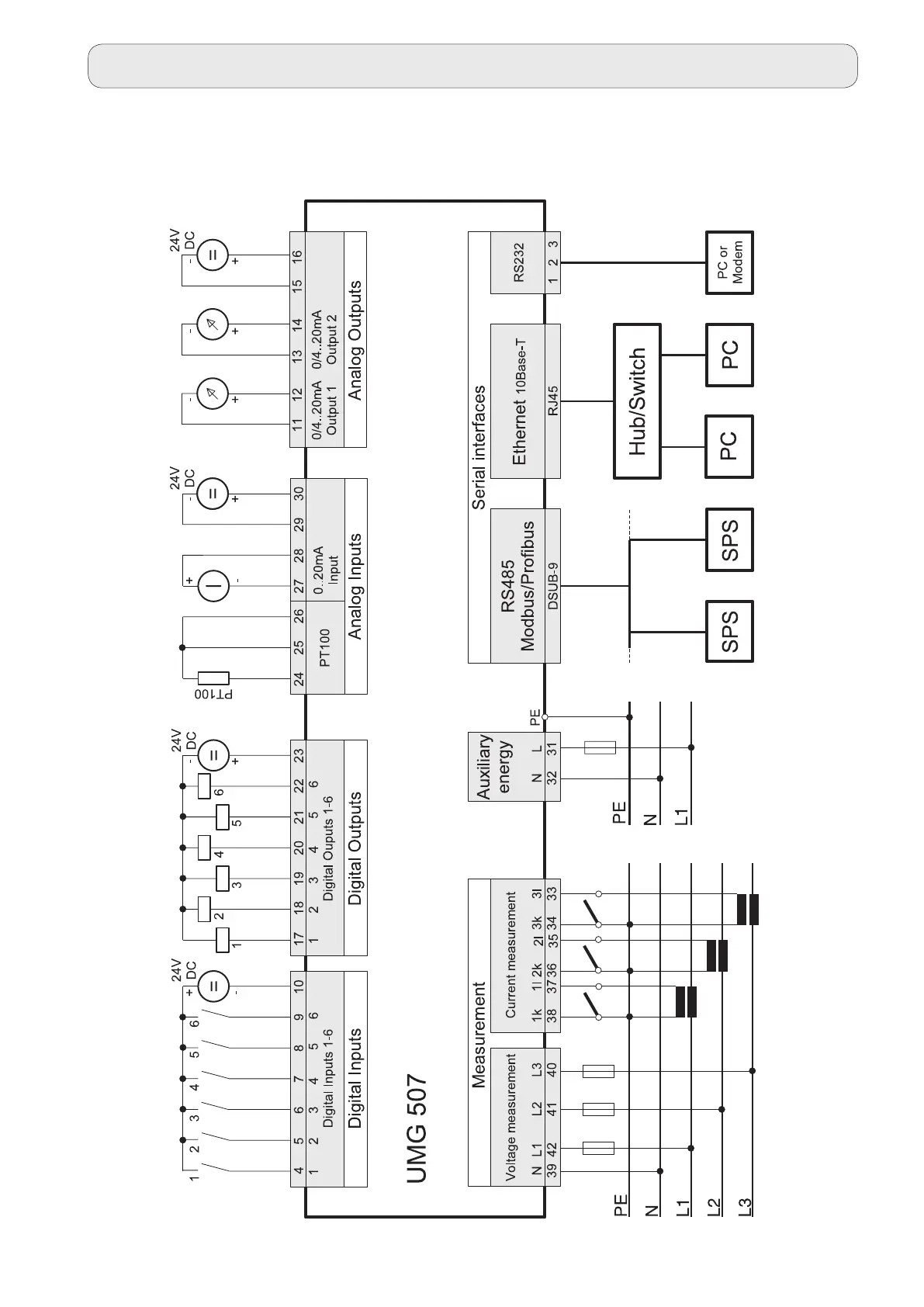
Fig. UMG507 Connections overvbiew with all options.
Appendix
Connection example

Other manuals for janitza UMG507

Related product manuals