EasyManua.ls Logo

JLG 3513 - Page 83

JLG 3513
136 pages
Print Icon
To Next Page IconTo Next Page
To Next Page IconTo Next Page
To Previous Page IconTo Previous Page
To Previous Page IconTo Previous Page
Loading...
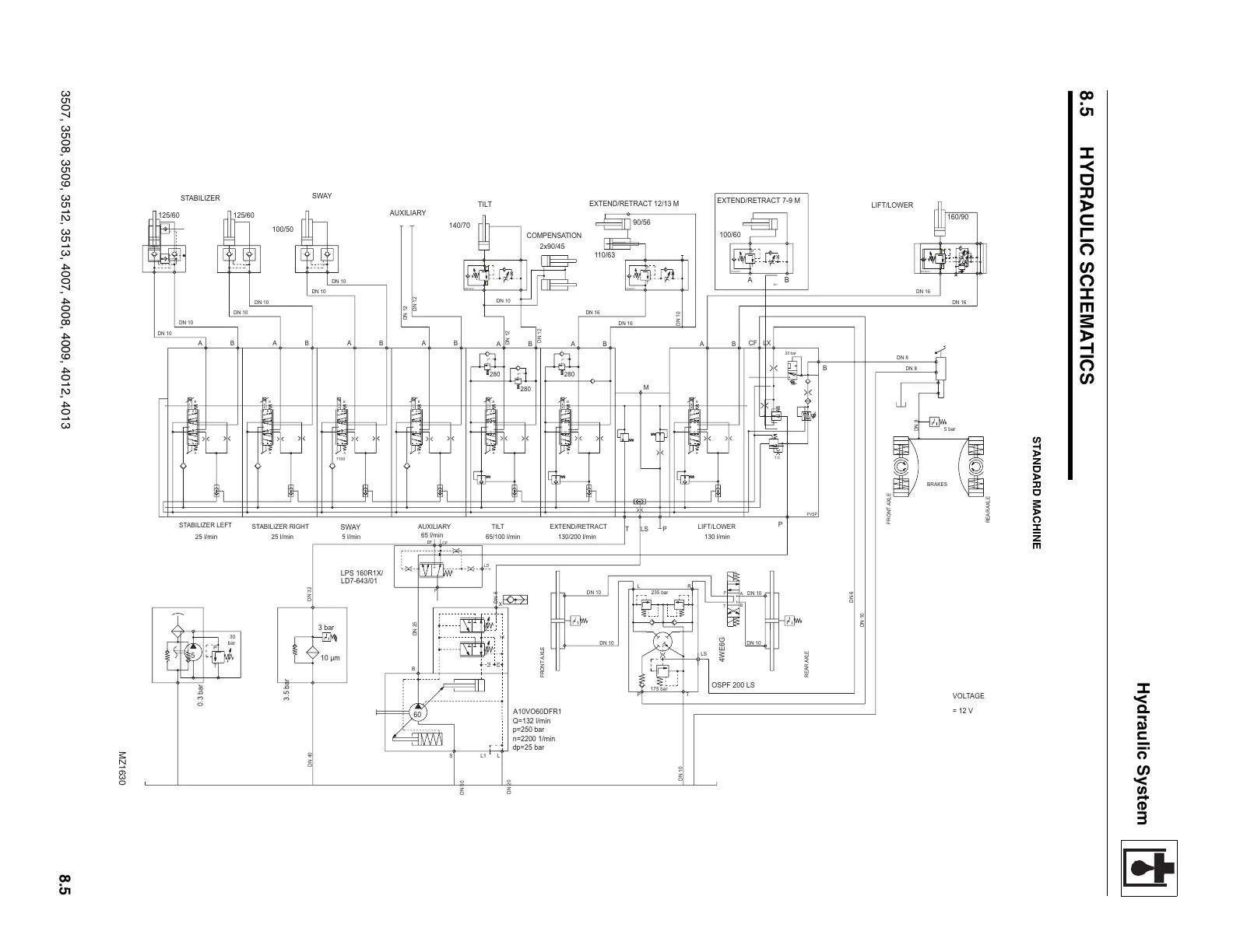
8.5
3507, 3508, 3509, 3512, 3513, 4007, 4008, 4009, 4012, 4013
Hydraulic System
8.5 HYDRAULIC SCHEMATICS
VOLTAGE
FRONT AXLE
REAR AXLE
= 12 V
2
DN 40
DN 50
DN 32
DN 20
DN 6
DN 10
T
P
A
B
5 bar
DN 6
DN 8
DN 8
DN 10
DN 8
DN 10
DN 10
DN 10
DN 10
DN 10
DN 10
DN 10
DN 12
DN 12
DN 12
DN 10
DN 16
DN 16
DN 16
DN 16
DN 25
LIFT/LOWEREXTEND/RETRACTTILT
280
280
AUXILIARY
STABILIZER RIGHT
STABILIZER LEFT
65 l/min
130/200 l/min 130 l/min65/100 l/min25 l/min 5 l/min25 l/min
280
4WE6G
125/60
STABILIZER
125/60
100/50
SWAY
AUXILIARY
90/56
EXTEND/RETRACT 12/13 M
110/63
110 bar/4:1
LIFT/LOWER
160/90
T
P
300 bar/4:1
DN 12
DN 10
DN 10
DN 10
DN 10
FRONT AXLE
REAR AXLE
BRAKES
A10VO60DFR1
Q=132 l/min
p=250 bar
n=2200 1/min
SL1L
B
X
60
dp=25 bar
0.3 bar
3.5 bar
10 µm
3 bar
LS
P
LR
T
OSPF 200 LS
175 bar
235 bar
COMPENSATION
2x90/45
140/70
TILT
300 bar/4:1
100/60
EXTEND/RETRACT 7-9 M
AB
110 bar/4:1
A
B
A
B
A
B
A
B
A
B
A
B
A
B
AB
7003
A
B
AB
A
B
AB
A
B
AB
T
P
LS
M
P
B
LX
CF
PVSP
20 bar
1.0
9598
9597
7006
P
T
P
T
P
T
P
T
EF
CF
P
LD
LPS 160R1X/
LD7-643/01
30
bar
P
T
5
7100
0931
P
T
MZ1630
SWAY
STANDARD MACHINE
Courtesy of Crane.Market

Table of Contents

Other manuals for JLG 3513

Related product manuals