EasyManua.ls Logo

Johnson Controls Penn System 450 Series - Setup and Adjustments; System 450 Component Requirements; Building a System 450 Module Assembly; Setting Up the Control System in the UI

Johnson Controls Penn System 450 Series
46 pages
Print Icon
To Next Page IconTo Next Page
To Next Page IconTo Next Page
To Previous Page IconTo Previous Page
To Previous Page IconTo Previous Page
Loading...
System 450™ Series Control Module with Ethernet Communications Installation Instructions 5
Setup and Adjustments
System 450 Component Requirements
A System 450 control system consists of one control
module, one to three control sensor inputs, and one to
ten outputs that provide on/off control or analog control.
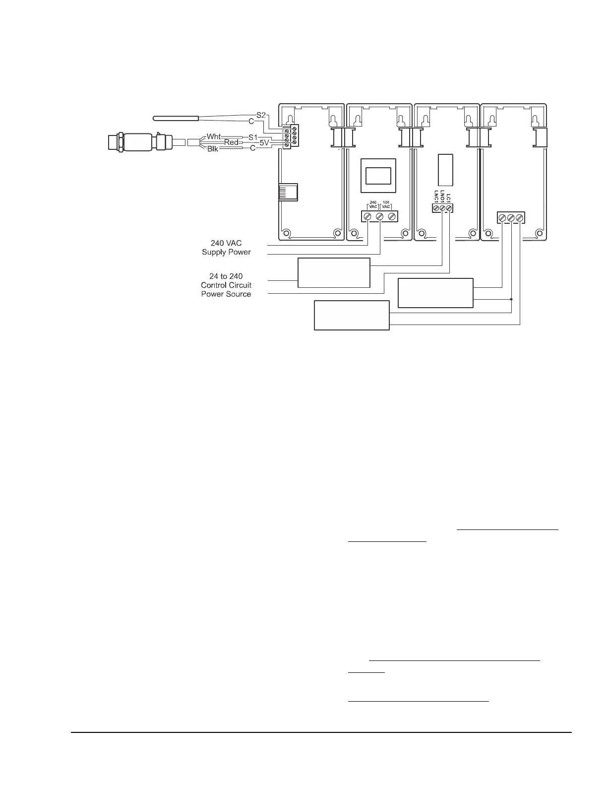
Figure 3 shows an example System 450 control system
module assembly, with two sensors and three outputs,
connected to an Ethernet network.
Building a System 450 Module Assembly
To set up a System 450 module assembly:
1. Determine the controlled conditions, sensor types,
and value ranges required for your application, and
select the appropriate System 450 sensor types.
2. Determine the number and type (relay or analog) of
outputs required to control your application, and
select the appropriate System 450 control module
and expansion modules to provide the outputs.
3. Assemble the control and expansion modules in
the proper order, starting with the control module
on the left.
Note: If you use a C450YNN-1C power module, it
must be plugged into the control module. Plug in
any expansion modules to the right of the power
module.
4. Apply supply power to the module assembly.
Note: After you power on your module assembly, you
can set up your control system in the control module UI
before wiring the sensors or outputs to your assembly.
Setting Up the Control System in the UI
System 450 control modules have a backlit LCD and a
four-button touch pad UI (Figure 4) that enable you to
set up your control system. To set up a control system
in the System 450 UI:
1. Build your control system module assembly and
connect it to power. See Building a System 450
Module Assembly on page 5.
Note: Every time a module assembly is powered
On, the control module polls all of the modules to
identify output type (relay or analog) and assigns a
sequential output number (1 to 9 [0 = 10]) to each
output starting with the control module output on
the left. The output numbers identify each output’s
setup screens in the UI. (See Figure 4.)
2. Access the System 450 setup screens in the UI.
See Accessing the System 450 Setup Start
Screens on page 6.
3. Set up the control system inputs in the UI. See
Setting Up System 450 Sensors
on page 8.
Figure 3: Example System 450 Control System with an Ethernet Communications Module
Controlling a Cooling System with Condenser Fan Speed Control
FIG:sys450_ethernet_app_example
C450CEN-x
Communications
Module
L1
L2
AO2
COM
AO1
L1
L2
C450YNN-1
Power
Module
C450SBN-x
Expansion Module
OUTR1
C450SQN-x
Expansion Module
OUTA2, OUTA3
A99 Temperature Sensor
Control Sensor in UI Display
( Sensor Type)
Sn-2
F°
P499 Pressure Transducer
Control Sensor in UI Display
( Sensor Type)
Sn-1
P500
RJ45
Ethernet
Port
Cooling Equipment
Control Circuit
(24 to 240 VAC)
Condenser Fan 2
Speed Control
Analog Input Circuit
Condenser Fan 1
Speed Control
Analog Input Circuit

Other manuals for Johnson Controls Penn System 450 Series

Related product manuals