EasyManua.ls Logo

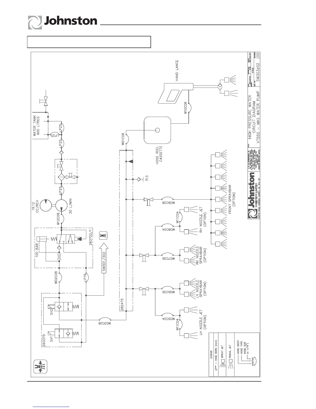
Johnston VT551 - High Pressure Water - Diagram Sw303 Z02

Johnston VT551
108 pages
Print Icon
To Next Page IconTo Next Page
To Next Page IconTo Next Page
To Previous Page IconTo Previous Page
To Previous Page IconTo Previous Page
Loading...
Page Issue 01Chapter - Water System10:14
VT551 - Maintenance
High Pressure Water - Diagram SW303z02
All Copyright and rights are the property of Johnston Sweepers Ltd

Table of Contents

Related product manuals