EasyManua.ls Logo

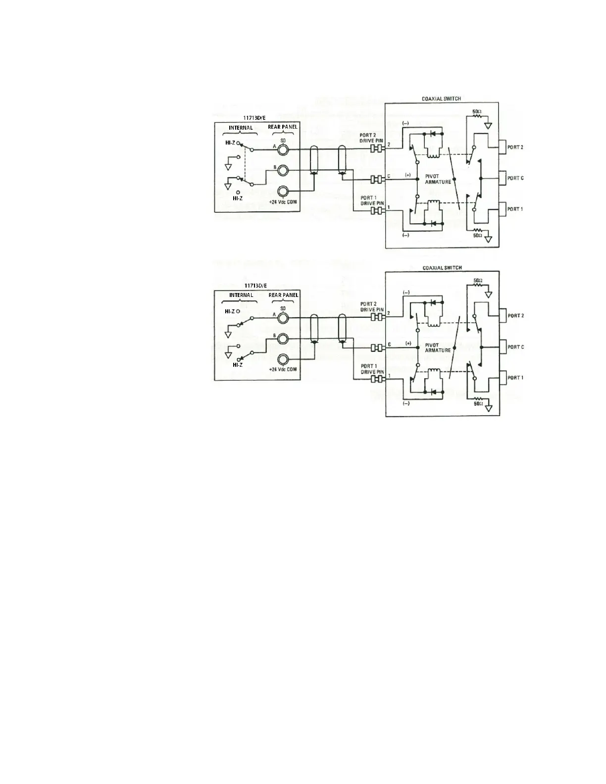
Keysight Technologies 11713D - Figure 2-3 Typical Connection for 8762 and 8765 Series Coaxial Switches

Keysight Technologies 11713D
105 pages
Print Icon
To Next Page IconTo Next Page
To Next Page IconTo Next Page
To Previous Page IconTo Previous Page
To Previous Page IconTo Previous Page
Loading...
2Installation
32 Keysight 11713D/E Operating and Service Manual
Figure 2-3 Typical connection for 8762 and 8765 series coaxial switches

Table of Contents

Related product manuals