EasyManua.ls Logo

Kubota KX080-4 - Appendices; Main Dimensions

Kubota KX080-4
138 pages
Print Icon
To Next Page IconTo Next Page
To Next Page IconTo Next Page
To Previous Page IconTo Previous Page
To Previous Page IconTo Previous Page
Loading...
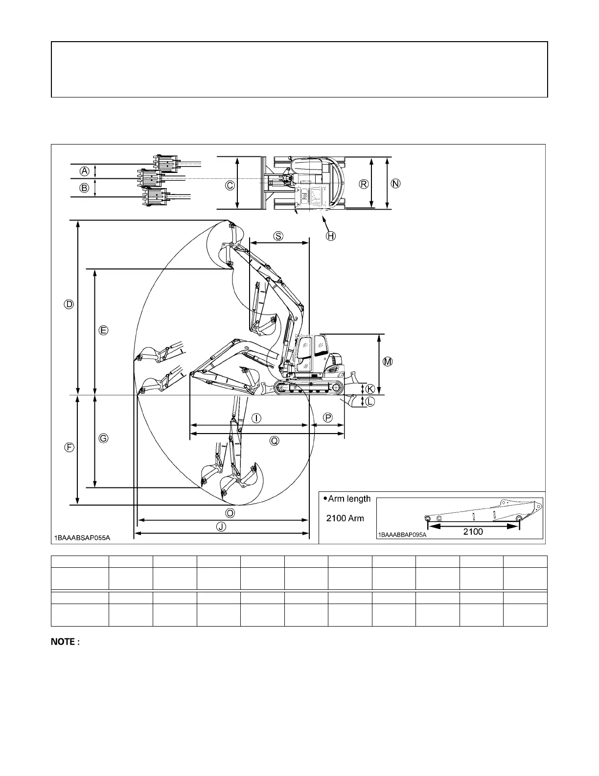
101APPENDICES
APPENDICES
MAIN DIMENSIONS
A Above dimensions are based on the machine with KUBOTA original bucket.
A Above dimensions are based on the machine with rubber track.
A Specifications subject to change without notice.
mm (in.)
(A) (B) (C) (D) (E) (F) (G) (H) (I) (J)
KX080-4
590
(23.2)
770
(30.3)
2200
(86.6)
7300
(287.4)
5250
(206.7)
4600
(181.1)
3850
(151.6)
1460
(57.5)
4990
(196.5)
7330
(288.6)
(K) (L) (M) (N) (O) (P) (Q) (R) (S)
KX080-4
500
(19.7)
500
(19.7)
2540
(100.0)
2200
(86.6)
7170
(282.3)
1460
(57.5)
6450
(253.9)
2150
(84.6)
2490
(98.0)

Table of Contents

Other manuals for Kubota KX080-4

Related product manuals