EasyManua.ls Logo

LG Multi IV - Page 53

LG Multi IV
152 pages
Print Icon
To Next Page IconTo Next Page
To Next Page IconTo Next Page
To Previous Page IconTo Previous Page
To Previous Page IconTo Previous Page
Loading...
PRODUCT DATA | 53
Product Data
'XHWRRXUSROLF\RIFRQWLQXRXVSURGXFWLQQRYDWLRQVRPHVSHFL¿FDWLRQVPD\FKDQJHZLWKRXWQRWL¿FDWLRQ
©
/*(OHFWURQLFV86$,QF(QJOHZRRG&OLIIV1-$OOULJKWVUHVHUYHG³/*´LVDUHJLVWHUHGWUDGHPDUNRI/*&RUS
$58%%7($58%%7(9+HDW5HFRYHU\
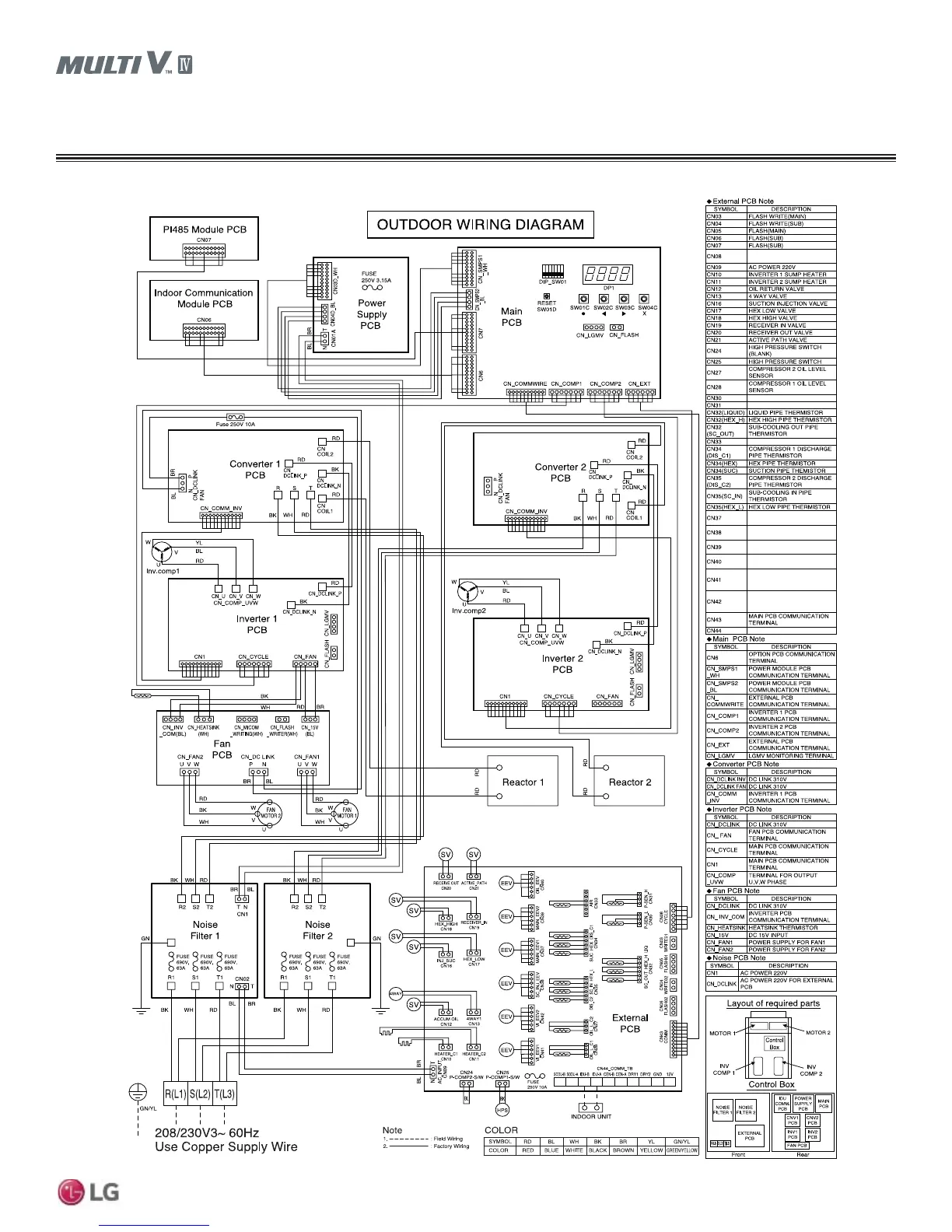
WIRING DIAGRAMS
MAIN PCB COMMUNICATION
TERMINAL
LOW PRESSURE SENSOR
HIGH PRESSURE SENSOR
OUTDOOR AIR THERMISTOR
MAIN ELECTRONIC EXPANSION
VALVE 1
SUB-COOLING ELECTRONIC
EXPANSION VALVE
MAIN ELECTRONIC EXPANSION
VALVE 2
OIL BALANCE ELECTRONIC
EXPANSION VALVE
VAPOR INJECTION ELECTRONIC
EXPANSION VALVE 1
VAPOR INJECTION ELECTRONIC
EXPANSION VALVE 2
TERMINAL BLOCK

Table of Contents

Related product manuals