EasyManua.ls Logo

LG Multi IV - Page 56

LG Multi IV
152 pages
Print Icon
To Next Page IconTo Next Page
To Next Page IconTo Next Page
To Previous Page IconTo Previous Page
To Previous Page IconTo Previous Page
Loading...
56 | PRODUCT DATA
MULTI V IV Outdoor Unit Engineering Manual
'XHWRRXUSROLF\RIFRQWLQXRXVSURGXFWLQQRYDWLRQVRPHVSHFL¿FDWLRQVPD\FKDQJHZLWKRXWQRWL¿FDWLRQ
©
/*(OHFWURQLFV86$,QF(QJOHZRRG&OLIIV1-$OOULJKWVUHVHUYHG³/*´LVDUHJLVWHUHGWUDGHPDUNRI/*&RUS
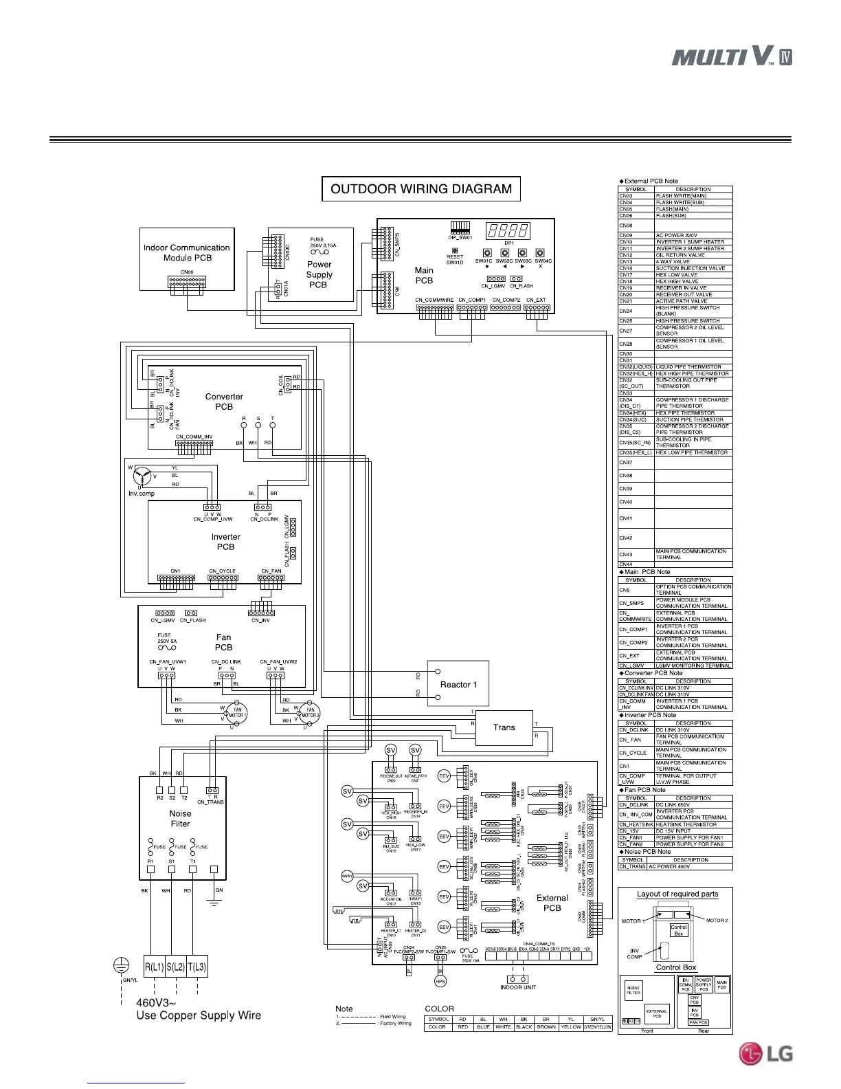
$58%'7($58%'7(9+HDW5HFRYHU\
TERMINAL BLOCK
VAPOR INJECTION ELECTRONIC
EXPANSION VALVE 2
VAPOR INJECTION ELECTRONIC
EXPANSION VALVE 1
OIL BALANCE ELECTRONIC
EXPANSION VALVE
MAIN ELECTRONIC EXPANSION
VALVE 2
SUB-COOLING ELECTRONIC
EXPANSION VALVE
MAIN ELECTRONIC EXPANSION
VALVE 1
HIGH PRESSURE SENSOR
LOW PRESSURE SENSOR
MAIN PCB COMMUNICATION
TERMINAL
OUTDOOR AIR THERMISTOR
WIRING DIAGRAMS

Table of Contents

Related product manuals