EasyManua.ls Logo

LG Multi IV - Page 63

LG Multi IV
152 pages
Print Icon
To Next Page IconTo Next Page
To Next Page IconTo Next Page
To Previous Page IconTo Previous Page
To Previous Page IconTo Previous Page
Loading...
PRODUCT DATA | 63
Product Data
'XHWRRXUSROLF\RIFRQWLQXRXVSURGXFWLQQRYDWLRQVRPHVSHFL¿FDWLRQVPD\FKDQJHZLWKRXWQRWL¿FDWLRQ
©
/*(OHFWURQLFV86$,QF(QJOHZRRG&OLIIV1-$OOULJKWVUHVHUYHG³/*´LVDUHJLVWHUHGWUDGHPDUNRI/*&RUS
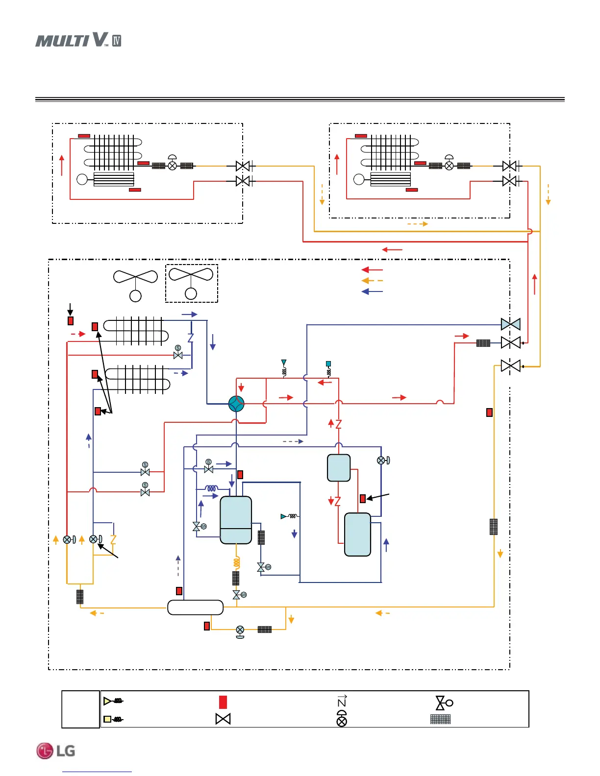
8SSHU+(;'HIURVW2SHUDWLRQ
REFRIGERANT FLOW DIAGRAMS
$581%7('7($581%7(
'7($581%7('7(+HDW3XPS
Accum
Inverter
Comp1
Oil
Separator
Receiver
Outdoor
Temperature
Sensor
Outdoor Unit
HEX Temperature
Sensor
Upper
Hot Vapor Valve
Low
Hot Vapor Valve
Low
Outdoor
EEV
Upper
Outdoor
EEV
Sub-cooling Circuit
Outlet Temperature
Sensor
Liquid Pipe
Temperature
Sensor
Comp
Discharge
Temperature
Sensor
Suction
Temperature
Sensor
Sub-cooling Circuit
Inlet Temperature
Sensor
Pressure
Switch
High Pressure
Sensor
4-Way Valve
Low
Pressure
Sensor
Oil Return
Receiver
Outlet
SC Suction
Comp
Vapor
Injection
Receiver
Inlet
Sub-cooling
Active Path
High Temperature High Pressure Vapor
High Temperature High Pressure Liquid
Low Temperature Low Pressure Vapor
Charging Port
Liquid Pipe
Vapor Pipe
Sub-cooling HEX
Fan
S
S
S
S
S
S
S
M
Electronic
Expansion Valve
Fan
Indoor Heat Exchanger
M
Electronic
Expansion Valve
Fan
Indoor Heat Exchanger
M
For 8/10 ton
M
ss
Check Valve
EEV
Soleno id Valve
SVC Valve
Pressure Sensor
Pressure Switch
Temperature Sensor
Remarks
Strainer
*8 ton and 10 ton units have 2 fans.

Table of Contents

Related product manuals