EasyManua.ls Logo

LG Multi IV - Page 78

LG Multi IV
152 pages
Print Icon
To Next Page IconTo Next Page
To Next Page IconTo Next Page
To Previous Page IconTo Previous Page
To Previous Page IconTo Previous Page
Loading...
78 | PRODUCT DATA
MULTI V IV Outdoor Unit Engineering Manual
'XHWRRXUSROLF\RIFRQWLQXRXVSURGXFWLQQRYDWLRQVRPHVSHFL¿FDWLRQVPD\FKDQJHZLWKRXWQRWL¿FDWLRQ
©
/*(OHFWURQLFV86$,QF(QJOHZRRG&OLIIV1-$OOULJKWVUHVHUYHG³/*´LVDUHJLVWHUHGWUDGHPDUNRI/*&RUS
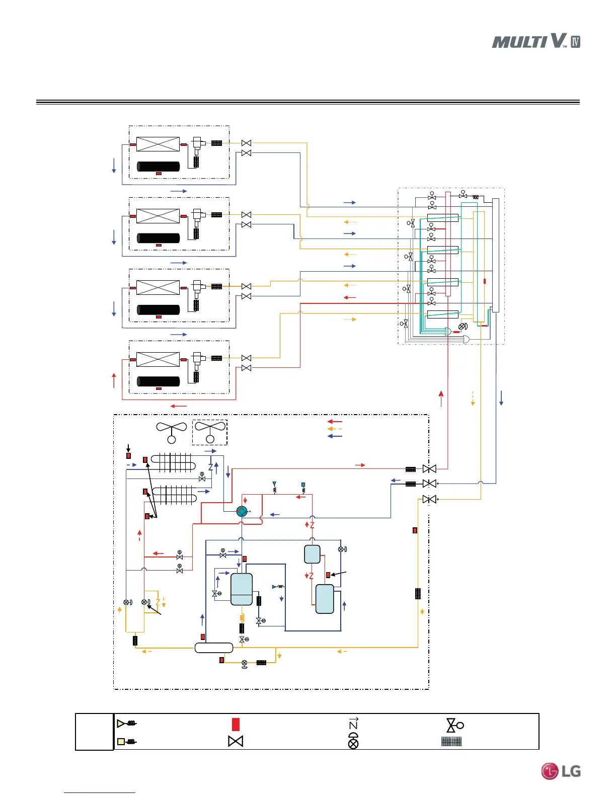
/RZ+(;'HIURVW2SHUDWLRQ
REFRIGERANT FLOW DIAGRAMS
$58%%7('7($58%%7(
'7($58%%7('7(+HDW5HFRYHU\
Indoor HEX
Fan
Indoor Unit
EEV
Indoor HEX
Fan
Indoor Unit
EEV
Indoor HEX
Fan
Indoor Unit
EEV
Indoor HEX
Fan
Indoor Unit
EEV
s
s
s
s
s
s
s
s
s
s
s
s
s
Heat Recovery Unit
Accum
Inverter
Comp1
Oil
Separator
Receiver
Outdoor
Temperature
Sensor
Outdoor unit
HEX Temperature
Sensor
Upper
Hot Vapor Valve
Low
Hot Vapor Valve
Upper
Outdoor
EEV
Sub-cooling Circuit
Outlet Temperature
Sensor
Liquid Pipe
Temperature
Sensor
Comp
Discharge
Temperature
Sensor
Suction
Temperature
Sensor
Sub-cooling Circuit
inlet Temperature
Sensor
Pressure
Switch
High Pressure
Sensor
4-Way Valve
Low
Pressure
Sensor
Oil Return
Receiver
outlet
SC suction
Comp
Vapor
Injection
Receiver
inlet
Sub-Cooling
Active path
High Temperature High Pressure Vapor
High Temperature High Pressure Liquid
Low Temperature Low Pressure Vapor
Liquid Pipe
Sub-Cooling HEX
Fan
S
S
S
S
S
S
S
M
Fan
M
*
Low Pressure Vapor Pipe
High Pressure Vapor Pipe
EEV
ss
Check Valve
EEV
Solenoid
SVC Valve
Pressure Sensor
Pressure Switch
Temperature Sensor
Remarks
Strainer
*8 and 10 Ton units have 2 fans.
Valve
Low
Outdoor

Table of Contents

Related product manuals