EasyManua.ls Logo

LG Multi IV - Page 85

LG Multi IV
152 pages
Print Icon
To Next Page IconTo Next Page
To Next Page IconTo Next Page
To Previous Page IconTo Previous Page
To Previous Page IconTo Previous Page
Loading...
PRODUCT DATA | 85
Product Data
'XHWRRXUSROLF\RIFRQWLQXRXVSURGXFWLQQRYDWLRQVRPHVSHFL¿FDWLRQVPD\FKDQJHZLWKRXWQRWL¿FDWLRQ
©
/*(OHFWURQLFV86$,QF(QJOHZRRG&OLIIV1-$OOULJKWVUHVHUYHG³/*´LVDUHJLVWHUHGWUDGHPDUNRI/*&RUS
Balanced
Simul. Operation
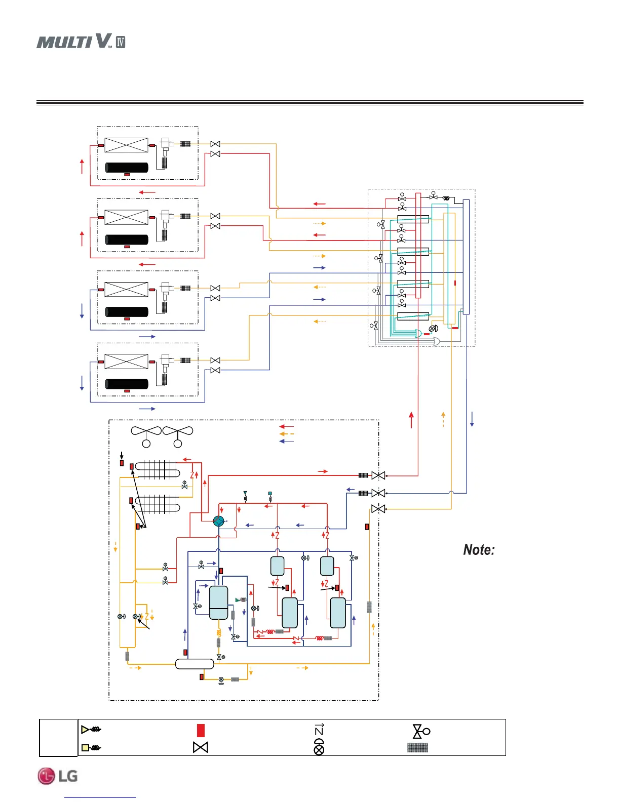
REFRIGERANT FLOW DIAGRAMS
$58%%7('7($58%%7('7(
$58%%7('7($58%%7('7(+HDW5HFRYHU\
ARUB145BTE4/145DTE4,
ARUB169BTE4/169DTE4
frames are ONLY for use in
large capacity triple frame
combinations. They cannot be
used as stand alone models
or in a dual frame combina-
tion. These frames ARE
NOT interchangeable with
ARUB144BTE4/144DTE4,
ARUB168BTE4/168DTE4
single frame models.
Indoor HEX
Fan
Indoor Unit
EEV
Indoor HEX
Fan
Indoor Unit
EEV
Indoor HEX
Fan
Indoor Unit
EEV
Indoor HEX
Fan
Indoor Unit
EEV
s
s
s
s
s
s
s
s
s
s
s
s
s
Heat Recovery Unit
Accum
Receiver
Outdoor
Temperature
Sensor
Outdoor unit
HEX Temperature
Sensor
Upper
Hot Vapor Valve
Low
Hot Vapor Valve
Upper
Outdoor
EEV
Sub-cooling Circuit
Outlet Temperature
Sensor
Liquid Pipe
Temperature
Sensor
Comp1
Discharge
Temperature
Sensor
Comp2
Discharge
Temperature
Sensor
Suction
Temperature
Sensor
Sub-cooling Circuit
inlet Temperature
Sensor
Pressure
Switch
High Pressure
Sensor
4-Way Valve
Low
Pressure
Sensor
Oil Return
Oil
Balance
Receiver
outlet
SC suction
Comp1
Vapor
Injection
Comp2
Vapor
Injection
Receiver
inlet
Sub-Cooling
Active path
Fan
Sub-Cooling HEX
Liquid Pipe
Inverter
Comp2
Inverter
Comp1
Oil
Separ
-ator
Oil
Separ
-ator
High Temperature High Pressure Vapor
High Temperature High Pressure Liquid
Low Temperature Low Pressure Vapor
MM
Low Pressure Vapor Pipe
High Pressure Vapor Pipe
EEV
Low
ss
Chec k Valve
EEV
Solenoid Valve
SVC Valve
Pressure Sensor
Pressure Switch
Temperature Sensor
Remarks
Strainer
*8 ton and 10 ton units have 2 fans.
**Active path: The refrigerant circuit(s) of an outdoor unit coil that provide(s) continuous heating capacity during split coil defrost operation.
Outdoor

Table of Contents

Related product manuals