EasyManua.ls Logo

LiteOn ISA-7-040-S1 - Power Wiring

LiteOn ISA-7-040-S1
237 pages
Print Icon
To Next Page IconTo Next Page
To Next Page IconTo Next Page
To Previous Page IconTo Previous Page
To Previous Page IconTo Previous Page
Loading...
Lite-On Technology Corp.
Industrial Automation
27
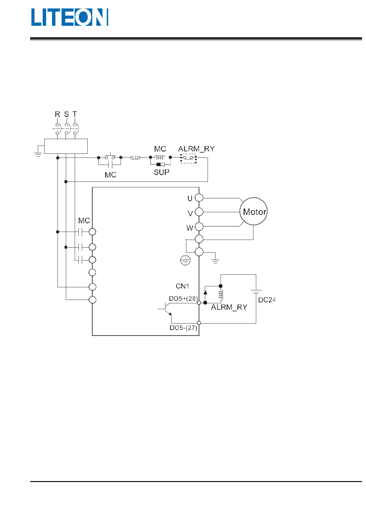
3.1.3. Power wiring
The servo drive and power wiring can be divided into the single- and three-phase. The single-phase can
only be used for models with the power equal to 1kW or below. In the diagram, Power On is for Point
a. Power Off and ALRM_RY are for Point b. MC indicates the coil of the magnetic contactor and self-
holding power. It connects to the power supply of the main circuit.
N
R
S
T
L1
L2
Noise Filter
Servo Driver

Table of Contents

Related product manuals