EasyManua.ls Logo

Magnetek IMPULSE Link 5 - Appendices; Appendix A: Wiring for Wireless Diagnostic System Base Unit

Magnetek IMPULSE Link 5
47 pages
Print Icon
To Next Page IconTo Next Page
To Next Page IconTo Next Page
To Previous Page IconTo Previous Page
To Previous Page IconTo Previous Page
Loading...
IMPULSE
®
•Link 5 Instruction Manual
April 2020
Page 41 of 47
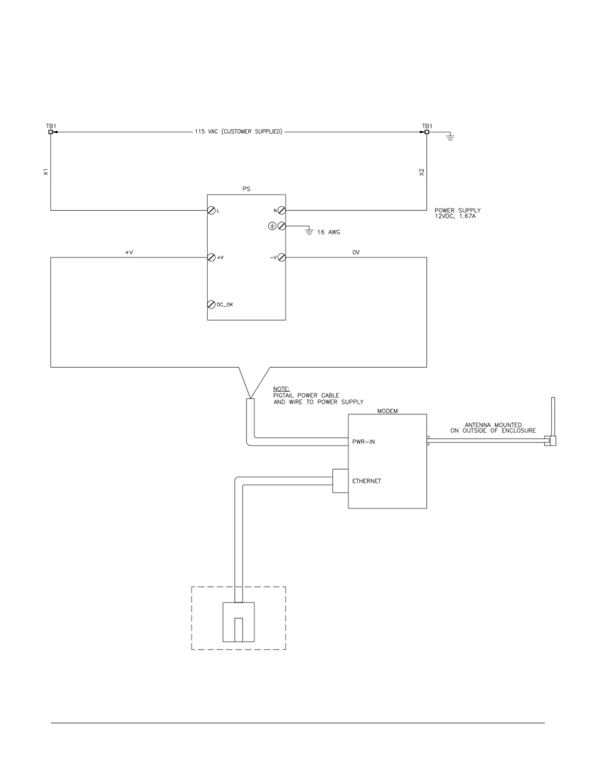
Appendices
Appendix A: Wiring for Wireless Diagnostic System Base Unit