EasyManua.ls Logo

Magnetek IMPULSE Link 5 - Appendix B: Wiring for Wireless Diagnostic System Remote Unit

Magnetek IMPULSE Link 5
47 pages
Print Icon
To Next Page IconTo Next Page
To Next Page IconTo Next Page
To Previous Page IconTo Previous Page
To Previous Page IconTo Previous Page
Loading...
IMPULSE
®
•Link 5 Instruction Manual
April 2020
Page 42 of 47
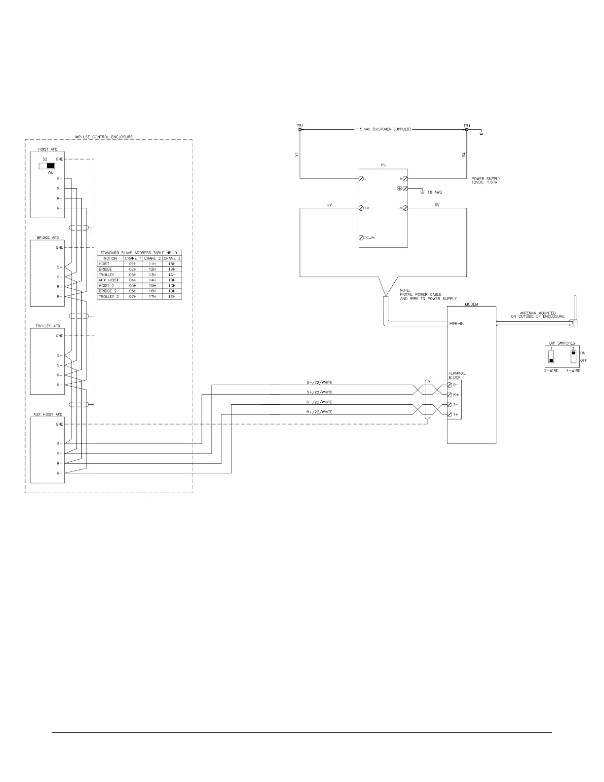
Appendix B: Wiring for Wireless Diagnostic System Remote Unit
IMPULSE G+/VG+ Series 4, G+/VG+ Series 3, and G+ Mini