EasyManua.ls Logo

Magnetek IMPULSE Link 5 - Page 45

Magnetek IMPULSE Link 5
47 pages
Print Icon
To Next Page IconTo Next Page
To Next Page IconTo Next Page
To Previous Page IconTo Previous Page
To Previous Page IconTo Previous Page
Loading...
IMPULSE
®
•Link 5 Instruction Manual
April 2020
Page 45 of 47
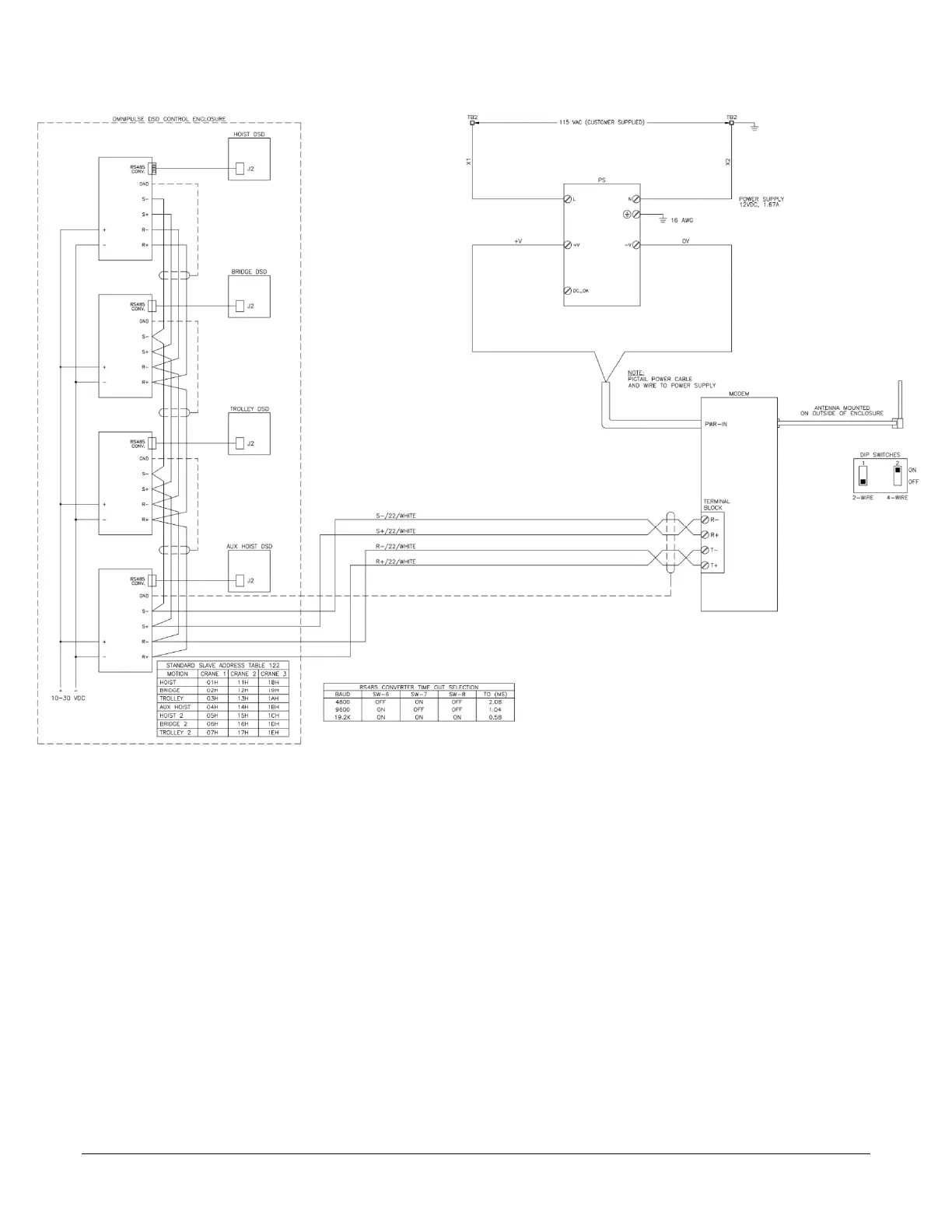
OmniPulse DSD