EasyManua.ls Logo

Manitowoc MLC100-1 - Drum 2 Electrical Diagram

Manitowoc MLC100-1
188 pages
Print Icon
To Next Page IconTo Next Page
To Next Page IconTo Next Page
To Previous Page IconTo Previous Page
To Previous Page IconTo Previous Page
Loading...
Manitowoc Published 10-09-2020, Control # 259-06 5-7
MLC80A-1/MLC90A-1/MLC100A-1/MLC100-1 SERVICE/MAINTENANCE MANUAL HOISTS
5
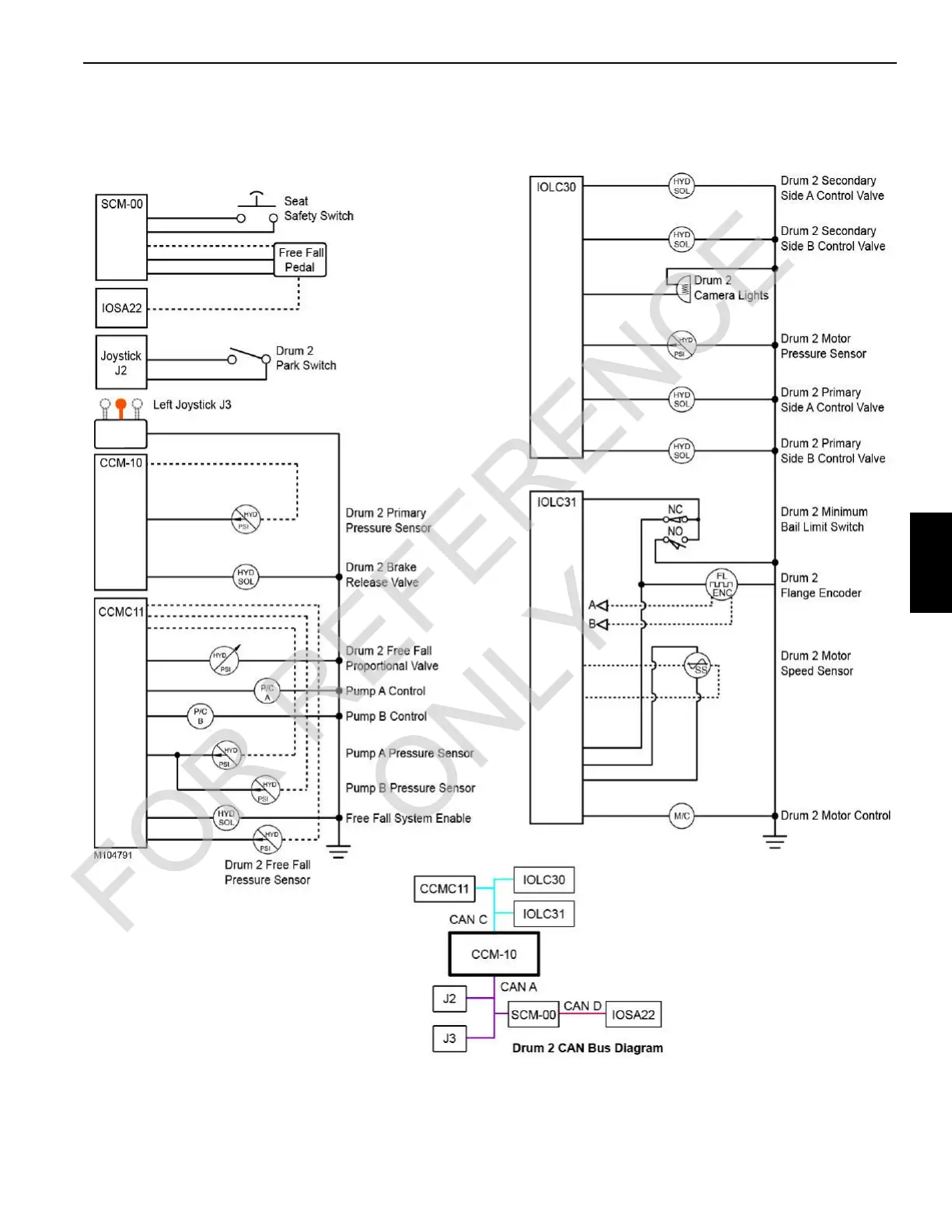
Drum 2 Electrical Diagram
A detailed electrical schematic is provided at the end of Section 3 in this Service Manual.
FIGURE 5-5
FOR REFERENCE
ONLY

Table of Contents

Other manuals for Manitowoc MLC100-1

Related product manuals