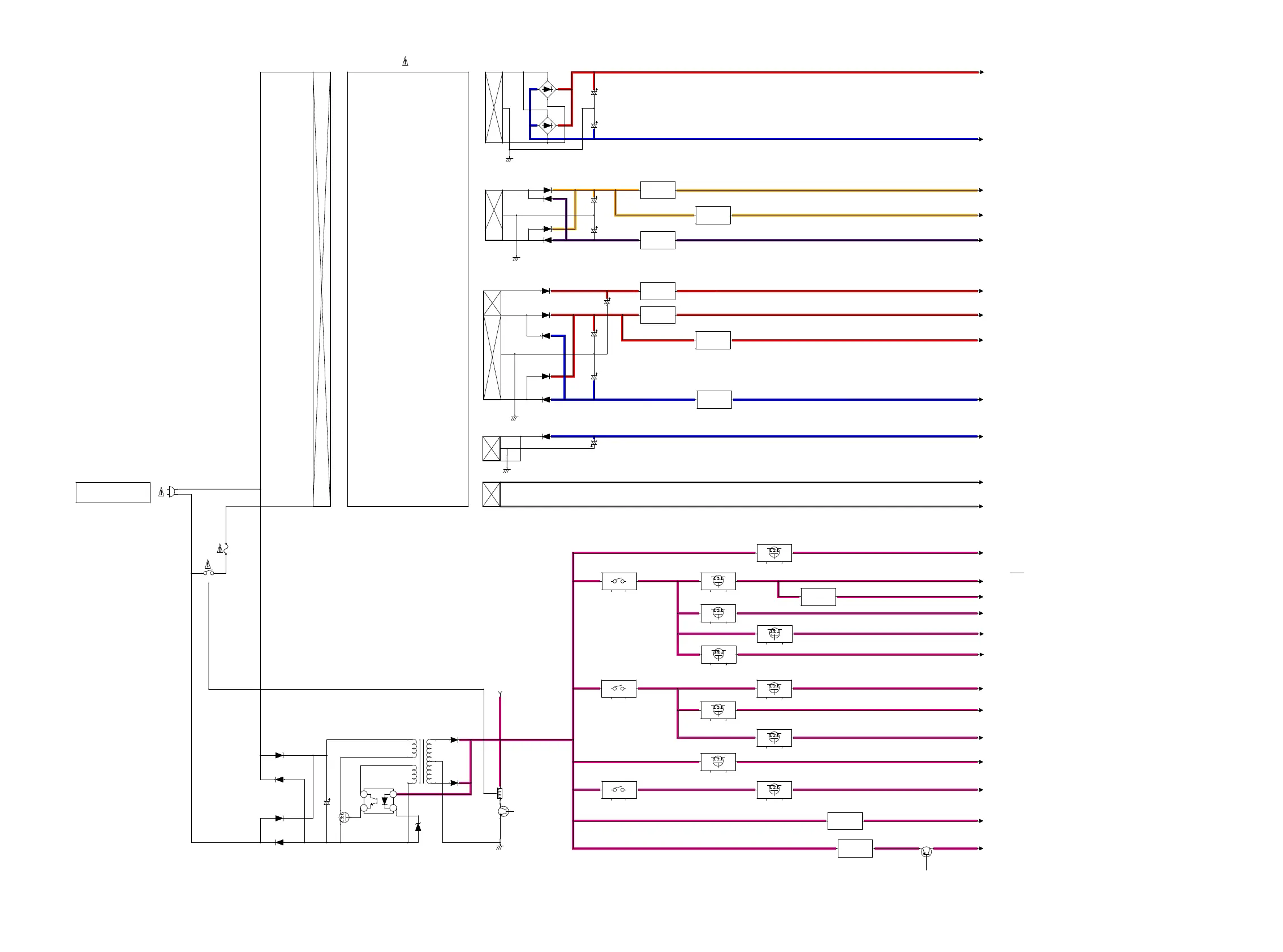
VCC
DV POWER2
DA POWER
HVBUS_CTL
DV POWER1
7905
7805
2388F09
2388F05
7908
7808
TK73333
3
41
2
DA.POWER
1.2V
CEC POWER
3.3V
D5V_POWER
1.8V
D5V_POWER
7805
TK73333
TK73333
DV POWER1
DA POWER
NET POWER
CEC POWER
NET POWER
RELAY
5.2V
DV5.0V
CPUPOWER
/ HDMI Rx
-VKK
DA1.2V / DSP
USB5.0V / USB Bus
NET1.8V / Microprocessor (TCC8600)
DV1.8V / VRS(ABT)
DA3.3V / DSP, ROM, RAM, DIR, PLD
A.V+5.0V
A.TUNER+5.0V(U)s
A.TUNER+9.0V(N/F/K)s
A-8.0V (Pre)
S6(FILAMENT)
S5(-VKK)
S4(VIDEO)
MAIN TRANS
S1(AMP +B)
SCPU3.3V / Microprocessor (M32C)
M3.3V / Microprocessor (M32C)
CEC1.8 / HDMI Rx, Tx
DV3.3V / VRS(ABT)
NET3.3V / Microprocessor (TCC8600), ROM, RAM
CEC3.3V / HDMI Rx, Tx
FL AC (F2)
FL AC (F1)
A.V-5.0V
DA+5.0V
A+8.0V (Pre)
MAIN -B
MAIN +B
S2(+8V,-8V)
MAIN PWR ON
AC
CORD
VCC BLOCK DIAGRAM