EasyManua.ls Logo

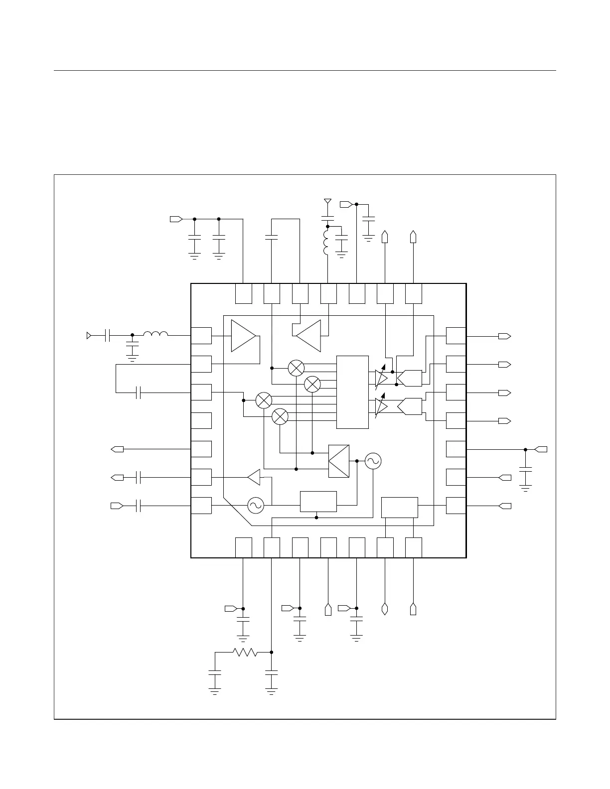
Maxim Integrated MAX2771 - Typical Application Circuit; Circuit 1

Maxim Integrated MAX2771
50 pages
Print Icon
To Next Page IconTo Next Page
To Next Page IconTo Next Page
To Previous Page IconTo Previous Page
To Previous Page IconTo Previous Page
Loading...
22 26 23 20 27 16 15
2 1
28 5 6 7 8
19
24
25
21
17
4
3
13
12
11
10
14
18
9
LANIN
_HI
LANOUT_HI
VCCCP
I1
VCCRF
LNA LNA
ADC
ADC
FILTER
SPI
PLL
VCO
90
0
MIXIN
_HI
NC
LD
CLKOUT
XTAL
I0
Q
0
Q1
VCCADC
SHDN
CSN
CPOUT
VCCVCO
ADC_CLKIN
VCCD
SDATA
SCLK
MIXIN_LO
LNAOUT_LO
LNAIN_
LO
VCCIF
ANAINOUT
ANAIPOUT
C14
C13 C12
C11
C10
C
9
C8
C
7
C4
C6C5
R0
C
0
C1
C2
C3
REFERENCE
CLOCK OUTPUT
REFERENCE
CLOCK INPUT
C15
L0
C16
L1
MAX2771
Circuit 1
Typical Application Circuit
www.maximintegrated.com
Maxim Integrated
48
MAX2771 Multiband Universal GNSS Receiver

Table of Contents