EasyManua.ls Logo

Maxim Integrated MAX2771 - Functional Diagrams

Maxim Integrated MAX2771
50 pages
Print Icon
To Next Page IconTo Next Page
To Next Page IconTo Next Page
To Previous Page IconTo Previous Page
To Previous Page IconTo Previous Page
Loading...
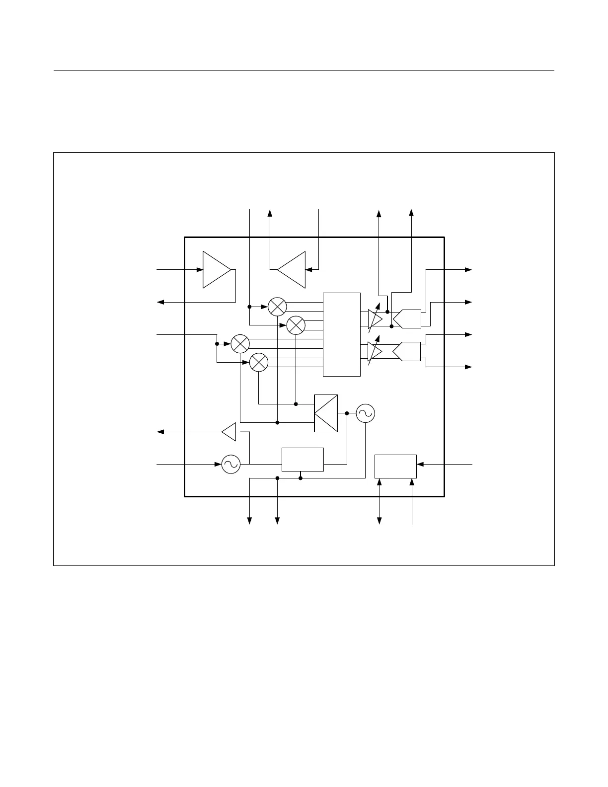
Functional Diagrams
LANIN_HI
LANOUT_HI
LD
I0
LNA
LNA
FILTER
SPI
PLL
VCO
90
0
MIXIN_HI
CLKOUT
XTAL
I1
Q0
Q1
CSN
CPOUT
SDATA
SCLK
MIXIN_LO
LNAOUT_LO
LNAIN_LO
ANAINOUT
ANAIPOUT
ADC
ADC
MAX2771
www.maximintegrated.com
Maxim Integrated
16
MAX2771 Multiband Universal GNSS Receiver

Table of Contents