EasyManua.ls Logo

maxon motor ESCON Module 50/5 - Page 27

maxon motor ESCON Module 50/5
54 pages
Print Icon
To Next Page IconTo Next Page
To Next Page IconTo Next Page
To Previous Page IconTo Previous Page
To Previous Page IconTo Previous Page
Loading...
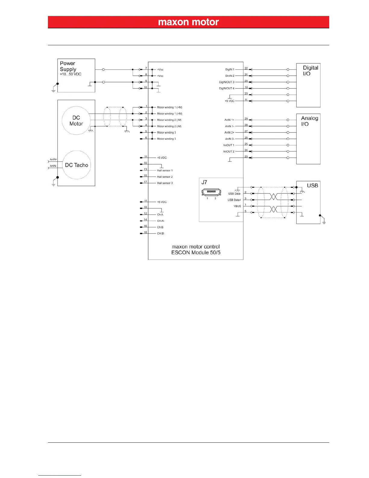
Wiring
DC Motors
maxon motor control
ESCON Servo Controller Document ID: rel4734
4-27
ESCON Module 50/5 Hardware Reference Edition: November 2014
© 2014 maxon motor. Subject to change without prior notice.
MAXON DC MOTOR WITH DC TACHO
Figure 4-19 maxon DC motor with DC Tacho

Table of Contents

Related product manuals