EasyManua.ls Logo

maxon motor ESCON Module 50/5 - Page 28

maxon motor ESCON Module 50/5
54 pages
Print Icon
To Next Page IconTo Next Page
To Next Page IconTo Next Page
To Previous Page IconTo Previous Page
To Previous Page IconTo Previous Page
Loading...
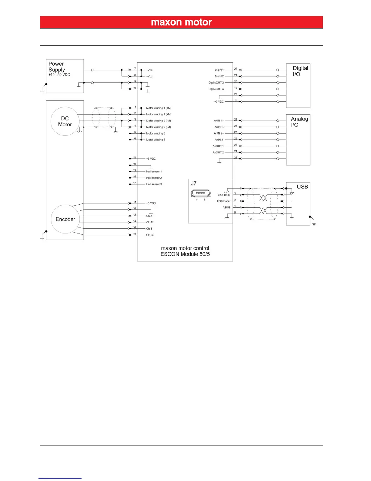
Wiring
DC Motors
maxon motor control
4-28 Document ID: rel4734 ESCON Servo Controller
Edition: November 2014 ESCON Module 50/5 Hardware Reference
© 2014 maxon motor. Subject to change without prior notice.
MAXON DC MOTOR WITH ENCODER
Figure 4-20 maxon DC motor with Encoder

Table of Contents

Related product manuals