EasyManua.ls Logo

Mercury MerCruiser MCM 502 Mag MPI

Mercury MerCruiser MCM 502 Mag MPI
1027 pages
To Next Page IconTo Next Page
To Next Page IconTo Next Page
To Previous Page IconTo Previous Page
To Previous Page IconTo Previous Page
Loading...
GENERAL SYSTEM DIAGNOSTICS SERVICE MANUAL NUMBER 23
Page 5E-54 90-861326--1 MARCH 1999
On-Board Diagnostic (OBD) System Check (Scan)
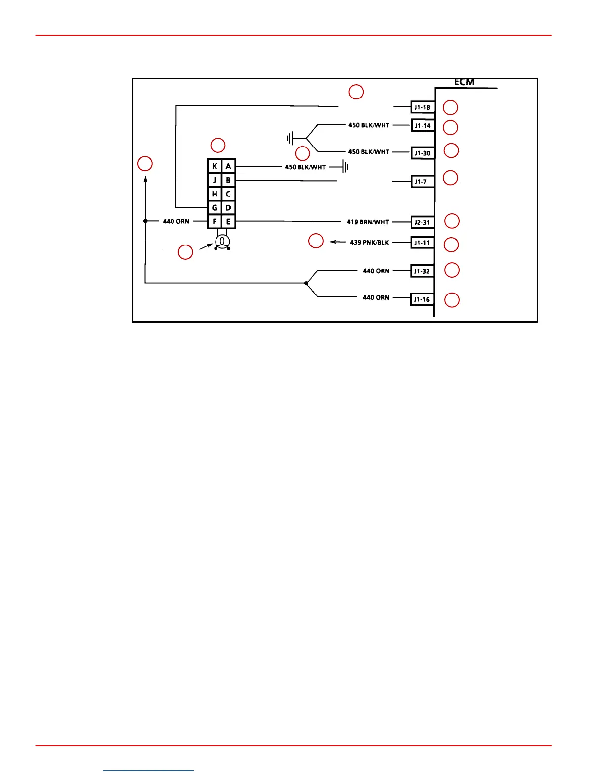
461 ORN/BLK
451 WHT/BLK
a
b
c
d
e
f
g
h
i
j
k
l
m
n
a-ECM/DLC 15amp fuse
b-DLC Connector
c-Marine Diagnostic Code Tool
d-ECM, Injector Knock Sensor Module 10amp Fuse
e-(ORN-Some Models)
f-(BLK-Some Models)
g-Serial Data
h-ECM Ground
i-ECM Ground
j-Diagnostic Test Terminal
k-Malfunction Indicator Lamp (MIL)
l-Ignition Feed
m-Battery Feed
n-Battery Feed
CIRCUIT DESCRIPTION:
The on-board diagnostic system check must be the starting point for any driveability com-
plaint diagnosis. Before using this procedure, you should perform a careful visual/physical
check of the ECM and engine
grounds for being clean and tight.
The on-board diagnostic system check is an organized approach to identifying a problem
created by an electronic engine control system malfunction.
DIAGNOSTIC AIDS:
An intermittent may be caused by a poor connection, rubbed through wire insulation or a
wire broken inside the insulation. Check for the following items:
Inspect the ECM harness and connectors for improper mating, broken locks, improperly
formed or damaged terminals poor terminal to wire connection, and damaged harness.
Downloaded from https://needmanual.com/!
Index

Table of Contents

Related product manuals