EasyManua.ls Logo

Mercury MerCruiser MCM 502 Mag MPI

Mercury MerCruiser MCM 502 Mag MPI
1027 pages
To Next Page IconTo Next Page
To Next Page IconTo Next Page
To Previous Page IconTo Previous Page
To Previous Page IconTo Previous Page
Loading...
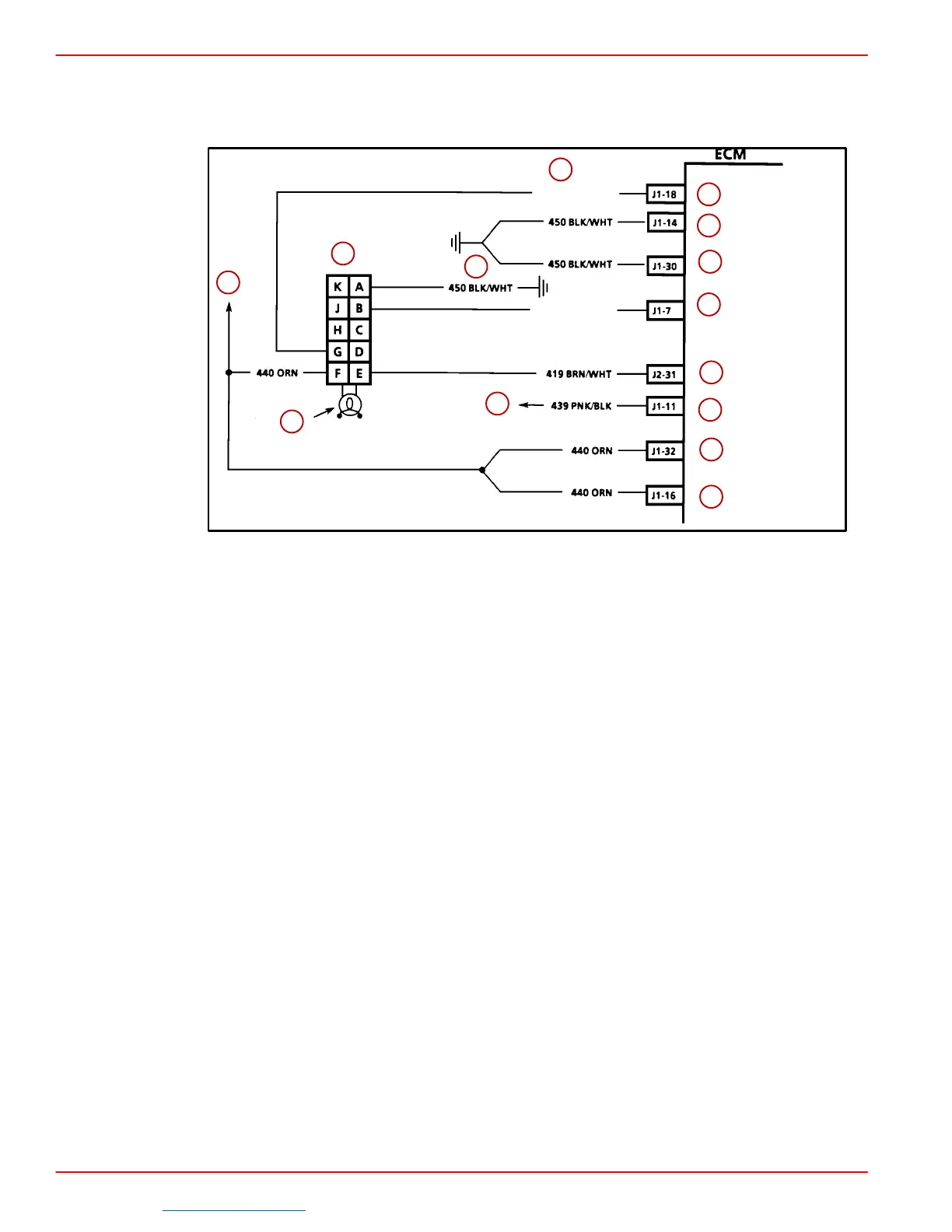
GENERAL SYSTEM DIAGNOSTICS SERVICE MANUAL NUMBER 23
Page 5E-62 90-861326--1 MARCH 1999
Chart A-2 (1 of 3): Malfunction Indicator Lamp “On” Steady - No DLC Data or
Will Not Flash DTC 12 - Marine Diagnostic Trouble Code (MDTC) Tool Installed
461 ORN/BLK
451 WHT/BLK
a
b
c
d
e
f
g
h
i
j
k
l
m
n
a-ECM/DLC 15amp fuse
b-DLC Connector
c-Marine Diagnostic Code Tool
d-ECM, Injector Knock Sensor Module 10amp Fuse
e-(ORN-Some Models)
f-(BLK-Some Models)
g-Serial Data
h-ECM Ground
i-ECM Ground
j-Diagnostic Test Terminal
k-Malfunction Indicator Lamp
l-Ignition Feed
m-Battery Feed
n-Battery Feed
CIRCUIT DESCRIPTION:
When the Marine Diagnostic Trouble Code (MDTC) tool is installed, it plugs into the DLC
terminals “F” and “E”. It receives voltage through CKT 440 terminal “F”. Terminal “E” is
ground through CKT 419 from the ECM terminal “J2-31”. There should always be a steady
MIL with the ignition “ON” and the engine stopped. The Engine Control Module (ECM) turns
the MIL “ON” by grounding the MIL driver circuit.
When the diagnostic tests terminal on the DLC is grounded by jumping terminal “B” to termi-
nal “A”, the ground circuit is completed. The MIL will flash a DTC 12 followed by any DTC’s
stored in memory. A steady light suggests CKT 419 is shorted to ground or an open in CKT
451 from the ECM to the DLC.
Downloaded from https://needmanual.com/!
Index

Table of Contents

Related product manuals