EasyManua.ls Logo

Mercury MerCruiser MCM 502 Mag MPI

Mercury MerCruiser MCM 502 Mag MPI
1027 pages
To Next Page IconTo Next Page
To Next Page IconTo Next Page
To Previous Page IconTo Previous Page
To Previous Page IconTo Previous Page
Loading...
GENERAL SYSTEM DIAGNOSTICS SERVICE MANUAL NUMBER 23
Page 5E-66 90-861326--1 MARCH 1999
Chart A-3 (1 of 5): Engine Cranks But Will Not Run
121 BRN
3 PNK
d
e
f
g
h
i
j
a
b
c
c
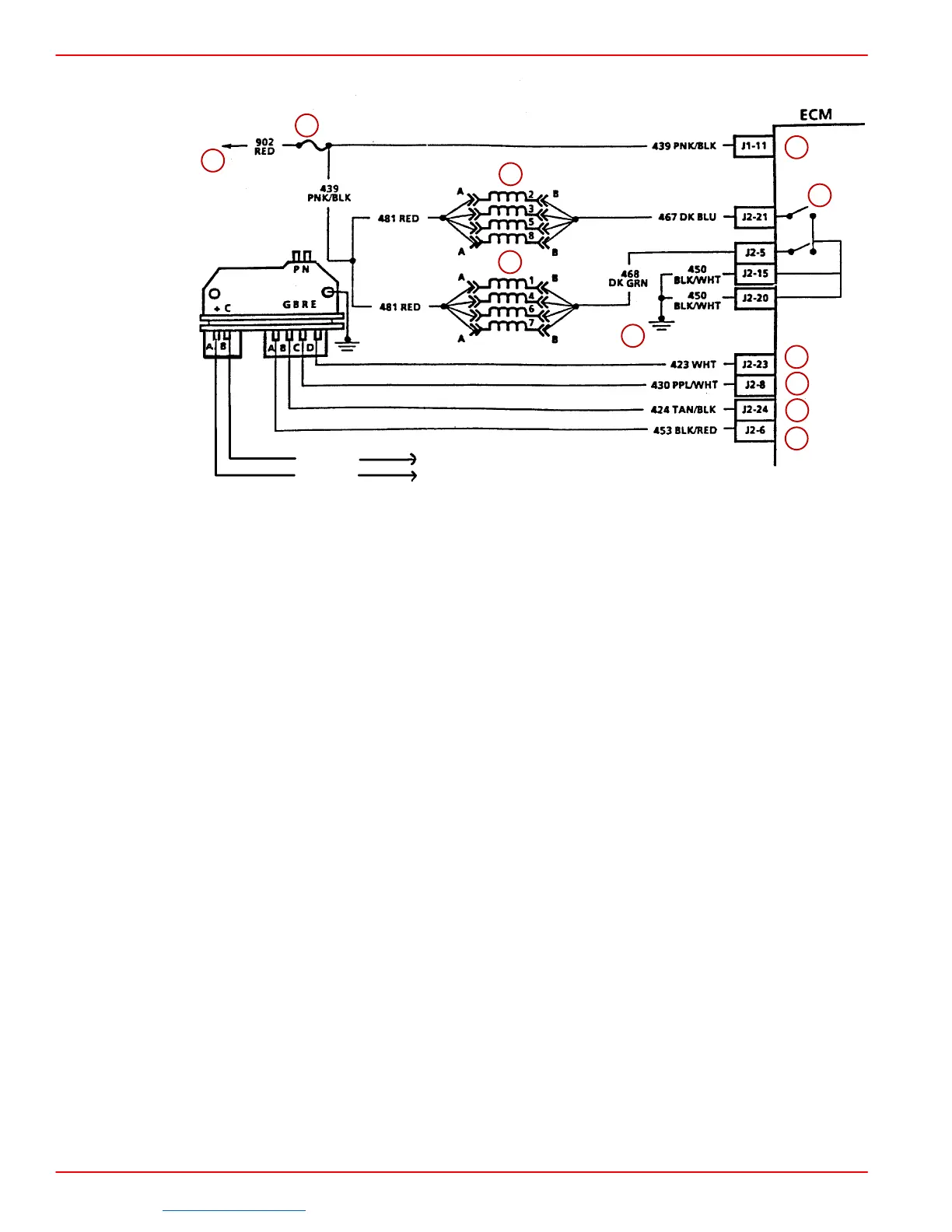
a-To Term “87” Of System Relay
b-Injector/ECM/KS module fuse 10a
c-Injectors
d-Engine Ground
e-Ignition Feed
f-Injector Driver
g-Ignition Control
h-Dist. Reference “high”
i-Bypass
j-Dist. Reference “low”
CIRCUIT DESCRIPTION:
In the Distributor Ignition (Dl) system and the fuel injector circuit, the supply voltage comes
from the EFI system relay. From the EFI system relay, CKT 902 delivers supply voltage to
the injector/ECM fuse, and to the ignition coil gray connector terminal “B”.
After supply voltage passes through the injector/ECM fuse, it branches out into two separate
CKT’s 439. One is the supply voltage for injector harness CKT 481 and the other goes to
ECM terminal “J1-11.” The ECM will control the opening and closing of the injectors through
injector driver CKT 467 and CKT 468 by connecting them to ground.
The Ignition Control (IC) module receives supply voltage through CKT 3 from the gray con-
nector at the coil where it is connected with CKT 902. The IC module will control spark from
the coil through CKT 121. The IC module interfaces with the ECM through CKT 430. The
ECM will control the timing of the spark through CKT 423. For further explanation of distribu-
tor ignition system, see “Distributor Ignition System Check,” CHART A-7.
Downloaded from https://needmanual.com/!
Index

Table of Contents

Related product manuals