EasyManua.ls Logo

Mercury MERCRUISER - Page 46

Mercury MERCRUISER
163 pages
Print Icon
To Next Page IconTo Next Page
To Next Page IconTo Next Page
To Previous Page IconTo Previous Page
To Previous Page IconTo Previous Page
Loading...
Engine
Page 3A-16 90-863758060 AUGUST 2006
FUEL AND AIR INDUCTION
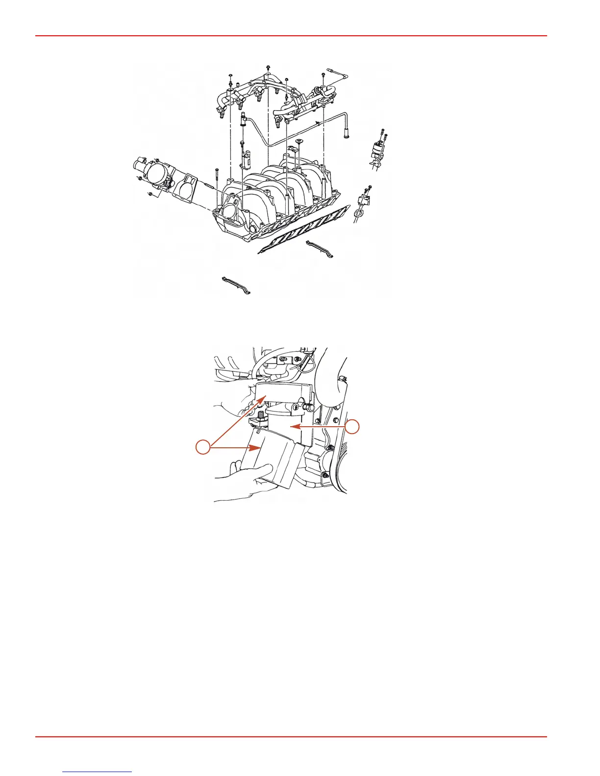
14339
Typical Fuel/Air Induction System
FUEL SYSTEMS
a
b
14931
Typical fuel filter
a - Water-separating fuel filter cover
(MPI tow sports models only)
b - Water-separating fuel filter

Table of Contents

Other manuals for Mercury MERCRUISER

Related product manuals