EasyManua.ls Logo

Microscan HAWK MV-4000 - Page 46

Microscan HAWK MV-4000
142 pages
Print Icon
To Next Page IconTo Next Page
To Next Page IconTo Next Page
To Previous Page IconTo Previous Page
To Previous Page IconTo Previous Page
Loading...
Chapter 2 System Components
2-32 HAWK MV-4000 Smart Camera Guide
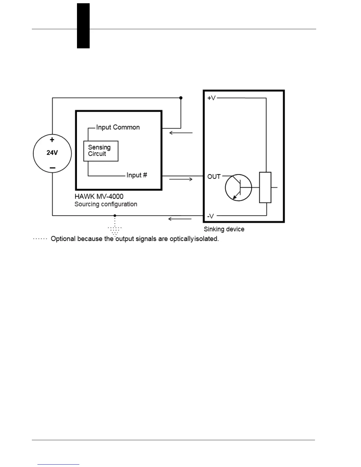
Connecting a Sinking Output Device To an Input Signal
Connect a sinking output device to a HAWK MV-4000 input signal, as shown below.
(Equivalent circuit only.)

Table of Contents

Related product manuals