EasyManua.ls Logo

Midea LSBLG320/MZ - For Dual Heads Unit (LSBLG970~1260;MZ)

Midea LSBLG320/MZ
113 pages
Print Icon
To Next Page IconTo Next Page
To Next Page IconTo Next Page
To Previous Page IconTo Previous Page
To Previous Page IconTo Previous Page
Loading...
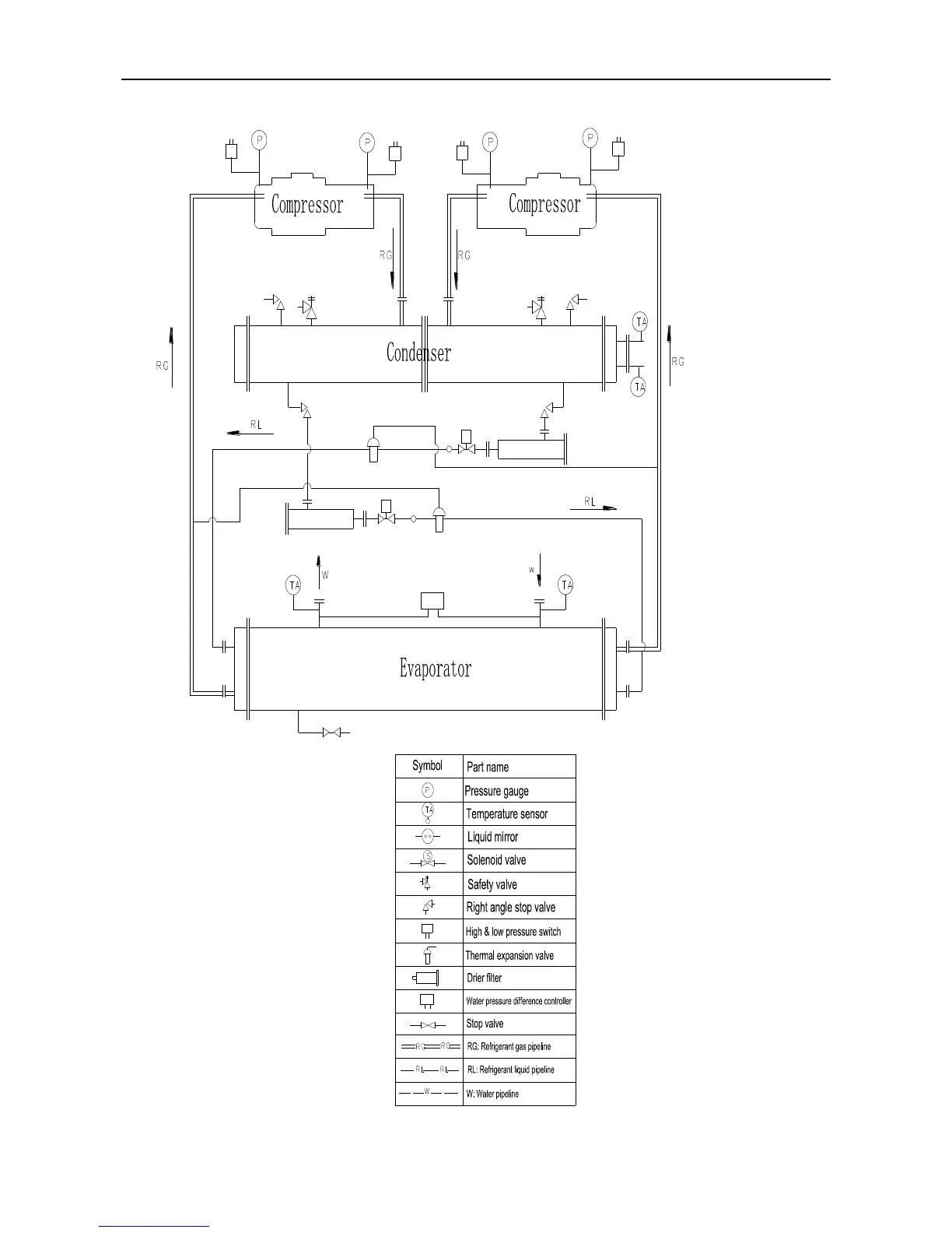
MCAC-CTSM-2014-03 DX type water-cooled screw chiller (PCB Control)
15
For dual heads unit (LSBLG970~1260/MZ)

Table of Contents