EasyManua.ls Logo

Midea LSBLG320/MZ - For Dual Heads Unit (LSBLG1490;MZ)

Midea LSBLG320/MZ
113 pages
Print Icon
To Next Page IconTo Next Page
To Next Page IconTo Next Page
To Previous Page IconTo Previous Page
To Previous Page IconTo Previous Page
Loading...
DX type water-cooled screw chiller (PCB Control) MCAC-CTSM-2014-03
16
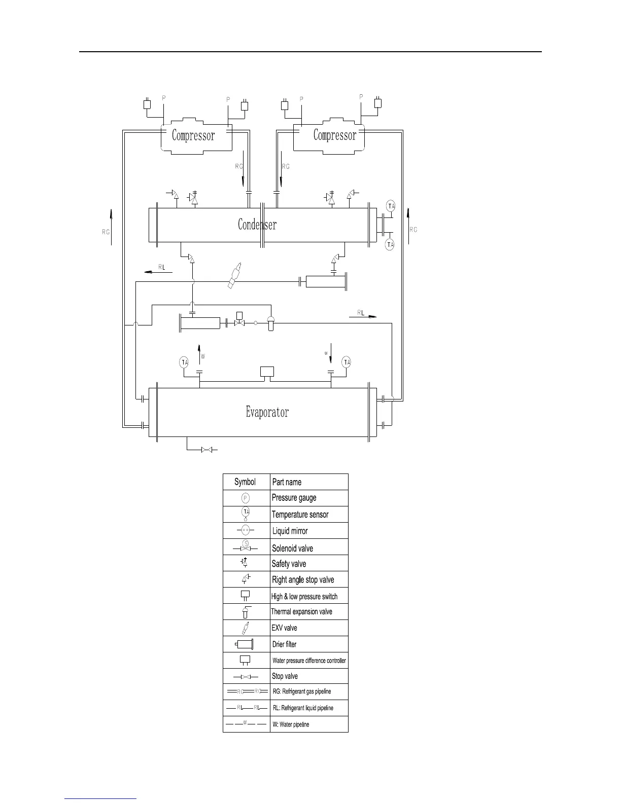
For dual heads unit (LSBLG1490/MZ)

Table of Contents