EasyManua.ls Logo

Miller PipePro 304 - Section 9 − Electrical Diagrams

Miller PipePro 304
72 pages
Print Icon
To Next Page IconTo Next Page
To Next Page IconTo Next Page
To Previous Page IconTo Previous Page
To Previous Page IconTo Previous Page
Loading...
OM-492 Page 42 Return To Table Of Contents
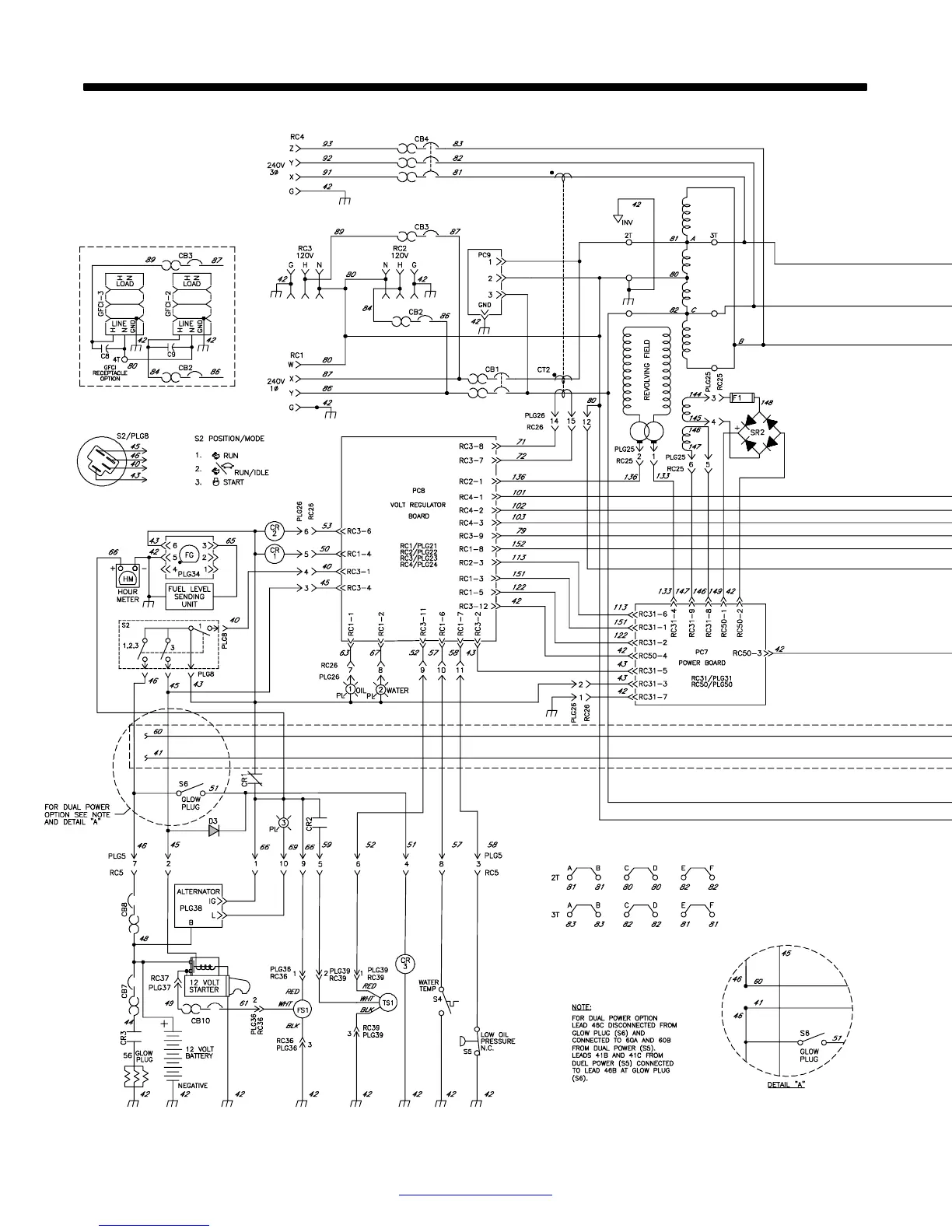
SECTION 9 − ELECTRICAL DIAGRAMS
Figure 9-1. Circuit Diagram For Welding Generator

Table of Contents

Related product manuals