EasyManua.ls Logo

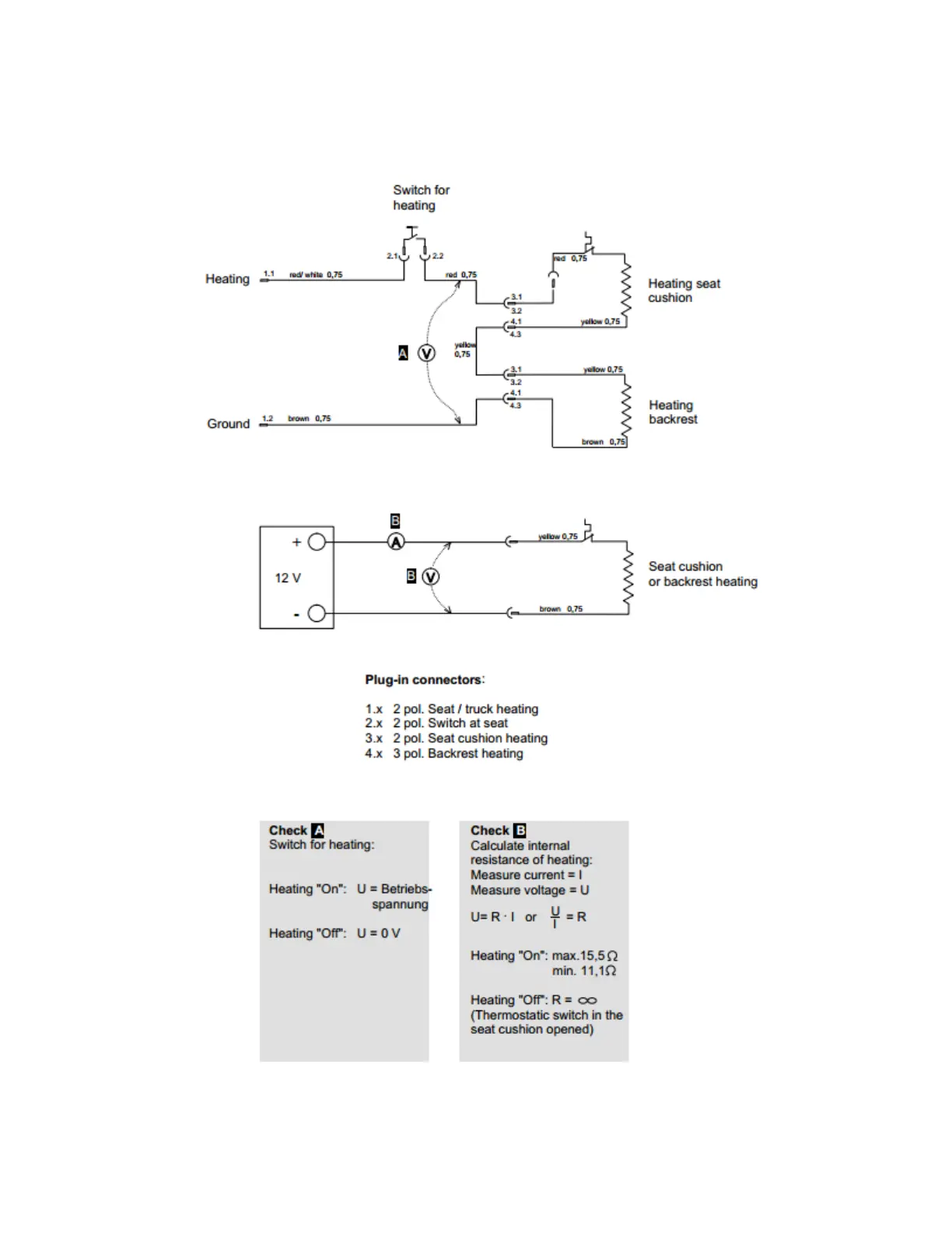
Minimizer 101363 - Heating Switch Operations; Heating Switch Checks; Resistance Checks

Default Icon
53 pages
Print Icon
To Next Page IconTo Next Page
To Next Page IconTo Next Page
To Previous Page IconTo Previous Page
To Previous Page IconTo Previous Page
Loading...
43

Related product manuals