EasyManua.ls Logo

MiTAC E-8590 - Page 232

Default Icon
252 pages
Print Icon
To Next Page IconTo Next Page
To Next Page IconTo Next Page
To Previous Page IconTo Previous Page
To Previous Page IconTo Previous Page
Loading...
5
5
4
4
3
3
2
2
1
1
D D
C C
B B
A A
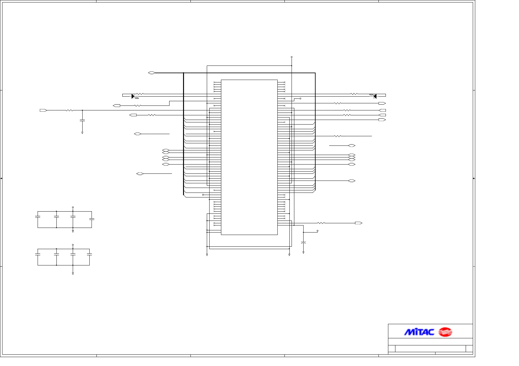
MINI-PCI
PIN24, 124 ARE AUX_POWER
AD21
INTB#
REQ#2
GNT#2
/NA
PCB-316674300001 / ASSY- 411674300003
R0A
E-NOTE_ID2
C
16 28Wednesday, October 09, 2002
Title
Size
Document
Number
Rev
Date: Sheet
of
AD27
AD25
AD21
AD19
AD17
AD14
AD12
AD10
AD8
AD7
AD5
AD3
AD1
AD30
AD28
AD26
AD24
AD22
AD20
AD15
AD13
AD11
AD9
AD6
AD2
AD4
AD0
PCI_FRAME#
PCI_DEVSEL#
PCI_C/BE#0
AD31
AD29
PCI_SERR#
MINI_REQ2#
PCI_PERR#
PCI_TRDY#
MINIPCI_PME#
AD21
MINIPCI_INTD#
MINIPCI_INTB#
PCI_STOP#
MINI_GNT2#
MPCIACT#
AD18
AD16
AD[0..31]
PCI_PAR PCI_PAR
PCI_C/BE#1
PCI_C/BE#1
AD23
PCI_C/BE#3PCI_C/BE#3
PCI_CLKRUN#
PCI_IRDY#
PCI_C/BE#2
GND
GND
GNDGND
GND
+5VS
+5VS
GND
+VDD3
+3VS
+3VS
+3VS
D15
CL-190G/NA LED_CL190
A K
R316 0/NA 0603D
1 2
R258 0/NA 0603D
1 2
R314 470/NA 0603D
1 2
R317 0/NA
0603D
1 2
R259 100/NA
0603D
1 2
R256 0/NA 0603D
1 2
R315 470/NA0603D
1 2
C304
2.2U/NA
1206
12
R261 0/NA
0603D
1 2
C307
0.1U/NA
0603D
12
C308
0.1U/NA
50V
0603D
12
J17
124P/0.8MM/H5.2
QTC
CA-5.2-016-124-SVN323
CONN_QTC52016_124
1
3
5
7
9
11
13
15
17
19
21
23
25
27
29
31
33
35
37
39
41
43
45
47
49
51
53
55
57
59
61
63
65
67
69
71
73
75
77
79
81
83
85
87
89
91
93
95
97
99
101
103
105
107
109
111
113
115
117
119
121
123
2
4
6
8
10
12
14
16
18
20
22
24
26
28
30
32
34
36
38
40
42
44
46
48
50
52
54
56
58
60
62
64
66
68
70
72
74
76
78
80
82
84
86
88
90
92
94
96
98
100
102
104
106
108
110
112
114
116
118
120
122
124
GND1
GND2
TIP
RX+
RX-
PJ7
PJ8
LED1_GRNP
LED1_GRNN
CHSGND
INTB#
3.3V[0]
RESERVED0
GROUND0
CLK
GROUND1
REQ#
3.3V[1]
AD[31]
AD[29]
GROUND2
AD[27]
AD[25]
RESERVED1
C/BE[3]#
AD[23]
GROUND3
AD[21]
AD[19]
GROUND4
AD[17]
C/BE[2]#
IRDY#
3.3V[2]
CLKRUN#
SERR#
GROUND5
PERR#
C/BE[1]#
AD[14]
GROUND6
AD[12]
AD[10]
GROUND7
AD[8]
AD[7]
3.3V[3]
AD[5]
RESERVED2
AD[3]
5V[0]
AD[1]
GROUND8
AC_SYNC
AC_SDATA_IN
AC_BIT_CLK
AC_CODEC_ID1#
MOD_AUDIO_MON
AUDIO_GND0
SYS_AUDIO_OUT
SYS_AUDIO_OUT_GND
AUDIO_GND1
RESERVED3
VCC5VA
RING
TX+
TX-
PJ4
PJ5
LED2_YELP
LED2_YELN
RESERVED4
5V[1]
INTA#
RESERVED5
3.3VAUX[0]
RST#
3.3V[4]
GNT#
GROUND9
PME#
RESERVED6
AD[30]
3.3V[5]
AD[28]
AD[26]
AD[24]
IDSEL
GROUND10
AD[22]
AD[20]
PAR
AD[18]
AD[16]
GROUND11
FRAME#
TRDY#
STOP#
3.3V[6]
DEVSEL#
GROUND12
AD[15]
AD[13]
AD[11]
GROUND13
AD[9]
C/BE[0]#
3.3V[7]
AD[6]
AD[4]
AD[2]
AD[0]
RESERVED_WIP4[0]
RESERVED_WIP4[1]
GROUND14
M66EN
AC_SDATA_OUT
AC_CODEC_ID0#
AC_RESET#
RESERVED7
GROUND15
SYS_AUDIO_IN
SYS_AUDIO_IN_GND
AUDIO_GND2
MPCIACT#
3.3VAUX[1]
GND1
GND2
C309
0.1U/NA
0603D
12
C343
0.1U/NA
0603D
12
C340
10P
0603D
12
C306
0.1U/NA
0603D
12
C339
0.1U/NA
0603D
12
D14
CL-190G/NA
LED_CL190
AK
C342
0.1U/NA
0603D
12
C341
0.1U/NA
0603D
12
R257 0/NA 0603D
1 2
R330
0
0603D
12
MINIPCI_GNT#2 (10,23)MINIPCI_REQ#2(10,23)
PCI_AD[0..31](10,12,13,15)
PCI_INTD#(10,12,23)
PCI_INTB# (10,12,13,23)
MINIPCI_RESET# (10,13,15)
PCI_C/BE#0 (10,12,13,15)
PCI_C/BE#1(10,12,13,15)
PCI_IRDY#(10,12,13,15,23)
PCI_C/BE#2(10,12,13,15)
PCI_SERR#(10,12,13,23)
PCI_PERR#(10,12,13,15,23)
PCI_PAR (10,12,13,15,23)
PCI_FRAME# (10,12,13,15,23)
PCI_STOP# (10,12,13,15,23)
PCI_TRDY# (10,12,13,15,23)
PCI_DEVSEL# (10,12,13,15,23)
MINI_PCI_CLK(17)
MPCIACT# (10,23)
PCI_C/BE#3(10,12,13,15)
PCI_CLKRUN#(9,13,23)
MPCI_PME# (9,12,13,15)

Related product manuals