EasyManua.ls Logo

MiTAC E-8590 - Ieee 1394

Default Icon
252 pages
Print Icon
To Next Page IconTo Next Page
To Next Page IconTo Next Page
To Previous Page IconTo Previous Page
To Previous Page IconTo Previous Page
Loading...
5
5
4
4
3
3
2
2
1
1
D D
C C
B B
A A
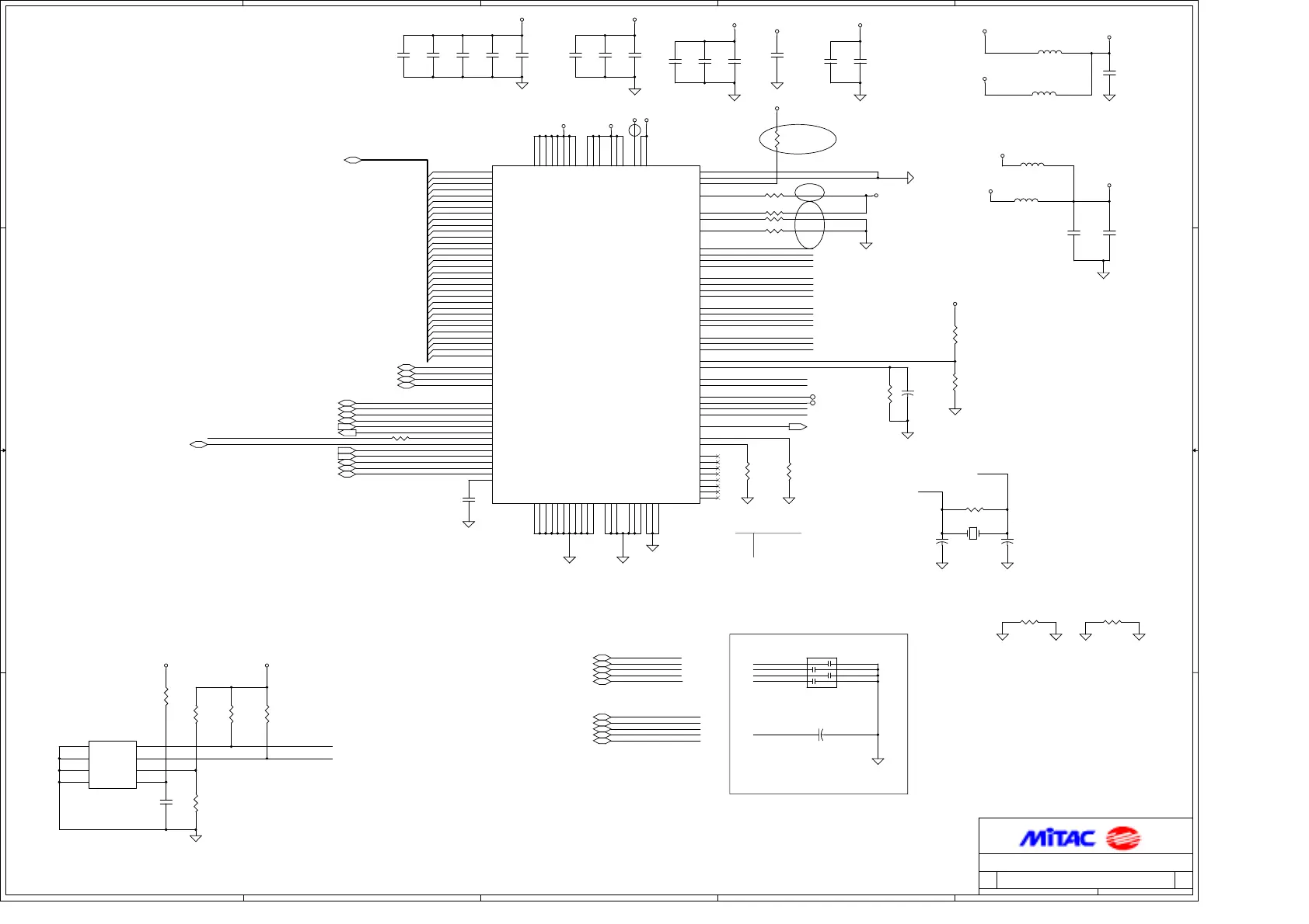
VT 6306
AD22
INTC#
REQ3#
IEEE 1394
GNT3#
00 normal
01 phy test
10 link test
11 watch mode
mode1 0 internal pull down
ALL Capacator must close to power pin
check it
pin52: 1 bus manager, 0 no bus manager
pin46: 1 enable 2-wire i2c eeprom , 0 4 -wire i2c eeprom
pin48: 1eeprom fast mode , 0 disable
pin47: 1 card bus mode , 0 disable
default low
default low
default low
default high
PCB-316674300001 / ASSY- 411674300003
R0A
E-NOTE_ID2
C
15 28Wednesday, October 09, 2002
Title
Size
Document
Number
Rev
Date: Sheet
of
PCI_INTC#
PCI_AD[0..31]
GROM_SCL
GROM_SDA
PC1
TPBIAS2
TPA2N
TPB2N
TPA2P
TPB2P
PCI_1394CLK
PCI_1394_RESET#
1394_PME#
XI
XO
PCI_PAR
PCI_STOP#
PCI_TRDY#
PCI_DEVSEL#
PCI_IRDY#
PCI1394_REQ#3
PCI1394_GNT#3
PCI_FRAME#
PCI_PERR#
TPA0P
TPA0N
TPB0N
TPB0P
TPBIAS0
TPB1P
TPA1P
TPB1N
TPBIAS1
TPA1N
PC0
GROM_SCL
GROM_SDA
TPA0N
TPA0P
TPB0P
TPB0N
TPA1P
TPA1N
TPB1P
TPB1N
TPA2P
TPA2N
TPB2P
TPB2N
TPBIAS0
TPBIAS1
TPBIAS2
XI
XO
PCI_AD26
PCI_AD5
PCI_AD16
PCI_AD15
PCI_AD9
PCI_AD17
PCI_AD18
PCI_AD22
PCI_AD2
PCI_AD25
PCI_AD22
PCI_AD0
PCI_AD13
PCI_AD27
PCI_AD28
PCI_AD11
PCI_AD31
PCI_AD4
PCI_AD12
PCI_AD8
PCI_AD3
PCI_AD19
PCI_AD30
PCI_AD14
PCI_AD10
PCI_AD20
PCI_AD24
PCI_AD21
PCI_AD6
PCI_AD29
PCI_AD23
PCI_AD7
PCI_AD1
+3VS
+PHYAVDD
+3VS
+PHYVDD
GND
GND
GND
AGND GND
+PHYVDD
GND
GND
+3VS
GND GND
GND
AGND
GND
+PHYAVDD
+PHYVDD
AGND
GND
GND
GND
AGND
GND
GNDGND
+PHYAVDD
+3VS
GND
+3VS
+3VS
GND
+3VS
+3VDUAL
AGND
+PHYAVDD
GND
+12VS
+3VS
+3VS
+PHYAVDD
AGND
+3VDUAL
X1
24.576MHZ
1 2
R131
0
0603D
12
R125
510
0603D
12
R422
11K
0603
12
TP519
1
R128
0
0805C
1 2
C152
10P
0603D
12
R107
10K/NA
0603D
12
R105 10K/NA 0603D
1 2
R139
6.34K
1%
0603D
12
R123
1M/NA 0603D
1 2
CP19
100PX4/NA
RPSOA_8C
1
2
3
4
8
7
6
5
C176
47P
0603D
12
TP520
1
C156
0.1U
50V
0603D
12
C268
0.1U
50V
0603D
12
R119 2K 0603D
1 2
C203
100P/NA
0603
1 2
C204
0.1U
50V
0603D
12
C185
0.1U
50V
0603D
12
C146
0.1U
50V
0603D
12
C153
2.2U
+80-20%
0805C
12
C269
0.1U
50V
0603D
12
C157
0.1U
50V
0603D
12
C244
0.1U
50V
0603D
12
C192
0.1U
50V
0603D
12
R129
10K
0603D
12
R130
2.7K/NA
0603D
12
R124
10K
0603D
12
L11
BEAD_120Z/100M
0805C
1 2
U8
NM24C02N
SO8
1
2
3
4
5
6
7
8
A0
A1
A2
GND
SDA
SCLK
WC-
VCC
R162
0
0805C
1 2
R104 10K/NA 0603D
1 2
R117
1K
0603D
1 2
C151
10P
0603D
12
U14
VT6306
PQFP128A_0.5MM
28
27
23
22
21
19
18
17
14
13
12
11
10
7
6
5
120
119
118
117
116
112
110
109
106
105
104
101
100
99
98
97
15
4
122
107
47
127
123
1
9
16
26
34
36
94
103
111
115
121
64
68
82
59
69
83
25
41
50
46
48
108
91
124
93
92
95
52
54
55
53
58
96
128
126
38
40
44
45
51
56
57
67
8
20
33
35
102
113
114
125
65
75
89
62
76
90
24
39
49
63
60
61
66
74
81
88
72
73
79
80
86
87
70
71
77
78
84
85
3
2
32
29
31
30
43
42
37
AD0
AD1
AD2
AD3
AD4
AD5
AD6
AD7
AD8
AD9
AD10
AD11
AD12
AD13
AD14
AD15
AD16
AD17
AD18
AD19
AD20
AD21
AD22
AD23
AD24
AD25
AD26
AD27
AD28
AD29
AD30
AD31
CBE0#
CBE1#
CBE2#
CBE3#
CARDBUSENA
DEVSEL#
FRAME#
GND0
GND1
GND2
GND3
GND4
GND5
GND6
GND7
GND8
GND9
GND10
GNDARX0
GNDARX1
GNDARX2
GNDATX0
GNDATX1
GNDATX2
GNDRAM
GNDSUS[0]
GNDSUS[1]
12CEEENA
I2CFAST
IDSEL
INTA#
IRDY#
PCICLK
PCIRST#
PGNT#
PHYCMC
PHYPC0
PHYPC1
PHYPC2
PHYRST#
PREQ#
STOP#
TRDY#
NC0
NC1
NC2
NC3
NC4
NC5
NC6
NC7
VCC0
VCC1
VCC2
VCC3
VCC4
VCC5
VCC6
VCC7
VCCARX0
VCCARX1
VCCARX2
VCCATX0
VCCATX1
VCCATX2
VCCRAM
VCCSUS[0]
VCCSUS[1]
XCPS
XI
XO
XRES
XTPBIAS0
XTPBIAS1
XTPBIAS2
XTPA0M
XTPA0P
XTPA1M
XTPA1P
XTPA2M
XTPA2P
XTPB0M
XTPB0P
XTPB1M
XTPB1P
XTPB2M
XTPB2P
PAR
PERR#
EECK/SCL/EEFAST
EECS/EEAUTO#
EEDI/SDA
EEDO
MODE0
MODE1
PME#
R202 100 0603D
1 2
C218
0.1U
50V
0603D
12
C196
0.1U
50V
0603D
12
L13
BEAD_120Z/100M
0805C
1 2
R421
10K/NA
0603D
1 2
C267
0.1U
50V
0603D
12
L14
BEAD_120Z/100M/NA
0805C
1 2
C171
0.1U
50V
0603D
12
C183
0.1U
50V
0603D
12
L12
BEAD_120Z/100M/NA
0805C
1 2
C177
0.1U
50V
0603D
12
C166
2.2U
+80-20%
0805C
12
R120
10K/NA
0603D
12
C155
0.1U
50V
0603D
12
R106 10K/NA 0603D
1 2
C161
0.1U
50V
0603D
12
PCI_INTC#(10,12,13,23)
PCI_AD[0..31](10,12,13,16)
PCI_STOP#(10,12,13,16,23)
PCI_PAR(10,12,13,16,23)
PCI_PERR#(10,12,13,16,23)
PCI_C/BE#0(10,12,13,16)
PCI_C/BE#1(10,12,13,16)
PCI_C/BE#2(10,12,13,16)
PCI_C/BE#3(10,12,13,16)
PCI_1394CLK(17)
PCI_1394_RESET#(10,13,16)
1394_PME# (9,12,13,16)
PCI_DEVSEL#(10,12,13,16,23)
PCI_TRDY#(10,12,13,16,23)
PCI_IRDY#(10,12,13,16,23)
PCI_FRAME#(10,12,13,16,23)
PCI1394_REQ#3(10,23)
PCI1394_GNT#3(10,23)
TPBIAS0(14)
TPB0P(14)
TPB0N(14)
TPA0N(14)
TPA0P(14)
TPBIAS1(14)
TPB1P(14)
TPB1N(14)
TPA1N(14)
TPA1P(14)

Related product manuals