EasyManua.ls Logo

MiTAC E-8590 - 8.5 Memory Test Error

Default Icon
252 pages
Print Icon
To Next Page IconTo Next Page
To Next Page IconTo Next Page
To Previous Page IconTo Previous Page
To Previous Page IconTo Previous Page
Loading...
177
LCD PC E
LCD PC E
-
-
8590 MAINTENANCE
8590 MAINTENANCE
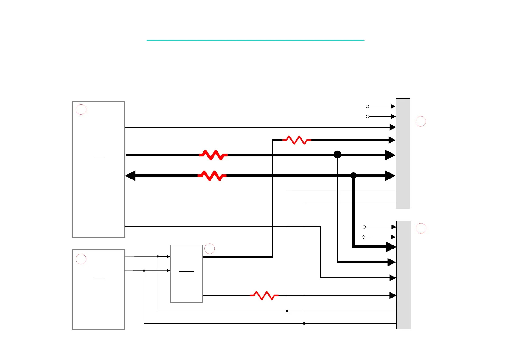
8.5 Memory Test Error
Symptom: The extend DDR RAM is failure or system hangs up.
DDR_MA [ 0 . . 12 ]
DDR_CAS# DDR_BA [ 0 , 1 ]
DDR_RAS# DDR_WE#
RP23, RP1, RP3, RP5, RP7,
RP11, RP17, RP19, RP21,
RP29, RP31, RP26,RP43,
RP45, RP59, RP61,RP57,
RP13, RP38, RP9, RP40, RP66 10*4
CKE[2:3]
CLK_DDR [0,2 ]
CLK_DDR [0,2 ] #
+2.5VDUAL
MD [ 0 : 63 ]
J5
DDR/184P
DDR_MD [ 0 : 63 ]
DDR_DQM [ 0 . . 7 ]
DDR_ DQS [ 0 . . 7 ]
R{62,55,52,51,49,44,46,64,42,87,66} 10K
RP16 10*4 RP3510*4
CKE[0:1]
SMBDATA
+DDRVREF
SMBCLK
SMBDATA
27
28
SMBCLK
CLK_DDR [3,5 ]
CLK_DDR [3,5 ] #
P17
U5
North Bridge
VT8703
P5
U5
North Bridge
VT8703
P11
U19
ICS950902
R193 R208 R204
R194 R209 R205
R195 R224 R206
R196 R225 R207
+2.5VDUAL
+DDRVREF
J4
DDR/184P
P7
P7
P17

Related product manuals