EasyManua.ls Logo

MiTAC E-8590 - Page 238

Default Icon
252 pages
Print Icon
To Next Page IconTo Next Page
To Next Page IconTo Next Page
To Previous Page IconTo Previous Page
To Previous Page IconTo Previous Page
Loading...
5
5
4
4
3
3
2
2
1
1
D D
C C
B B
A A
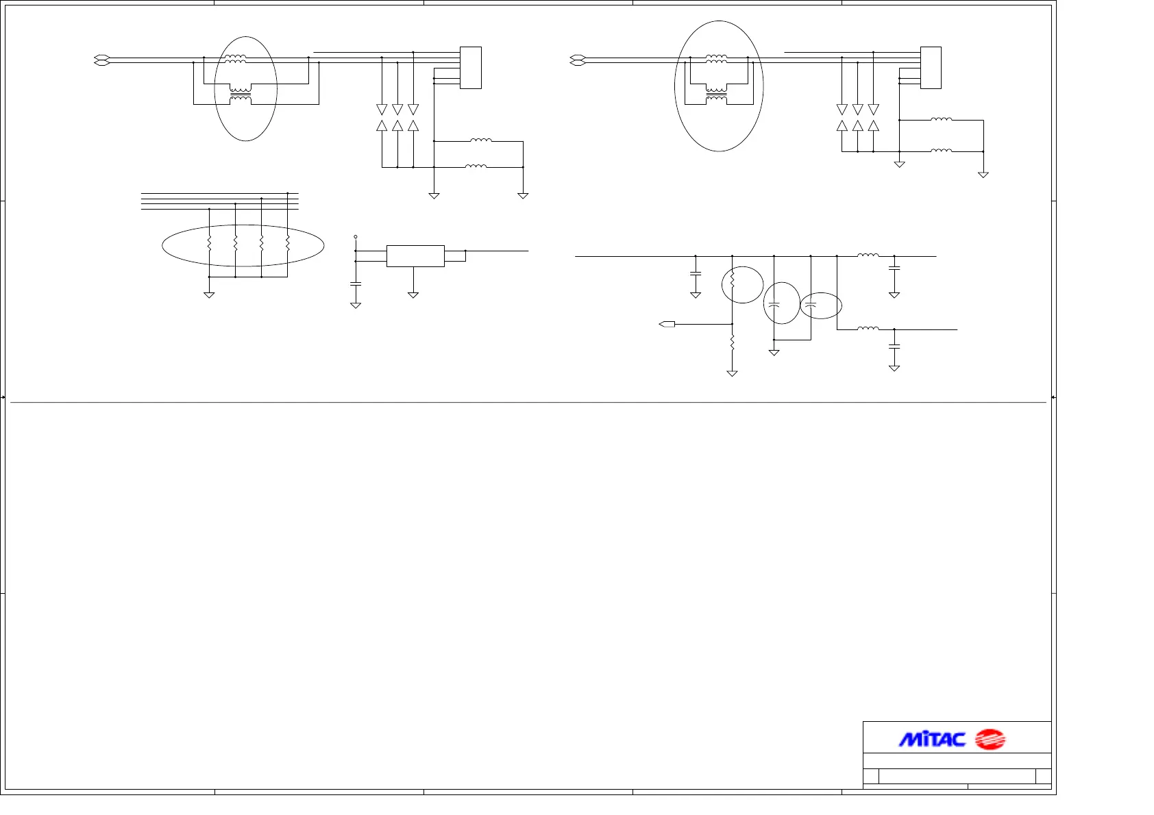
USB CONNECTOR
USB
Apply part number
USB
NEW
PCB-316674300001 / ASSY- 411674300003
R0A
E-NOTE_ID2
C
22 28Wednesday, October 09, 2002
Title
Size
Document
Number
Rev
Date: Sheet
of
USBP0+
USBP0-
+VCC_USB_1
+USB_P1
+USB_P1
+VCC_USB_0
+VCC_USB_0
D/USBP0-
USBP1+
USBP1-
D/USBP1+
D/USBP1-
D/USBP0+
+VCC_USB_1
USBP1-
USBP1+
USBP0-
USBP0+
GNDUSB_GND
GND
USB_GND
GND
USB_GND
GND
GND GND
+5VDUAL
USB_GND
GND
GND
L33
0603D
BEAD_33Z/100M/NA
1 2
JO10
1 2
JO6
1 2
L31
BEAD_33Z/100M/NA
0603D
1 2
L30
BEAD_600Z/100M
0603D
600Z-1608-0.2A
1 2
JO5
1 2
JO7
1 2
J24
USB/4PX1
SUYIN
2545A-04GXT
1
2
3
4
GND1
GND2
VCC
P-
P+
GND
GND1
GND2
L25
BEAD_33Z/100M/NA
0603D
1 2
L34
120Z/100M
0805C
120Z-2012
1 2
R429
15K
0603
12
L28
120Z/100M
0805C
120Z-2012
1 2
C353
1000P
0603D
12
C387
1000P
0603D
12
L29
BEAD_600Z/100M
0603D
600Z-1608-0.2A
1 2
+
C401
150U
7343
6.3V
12
R430
15K
0603
12
L32
90Z/100M
CHOKE_ACM2012
21
34
+
C378
330U/NA
6.3V
12
U24
RT9701-CBL
SOT25
1
2
3
4 5
VOUT0
GND
VIN0
VIN1 VOUT1
L26
90Z/100M
CHOKE_ACM2012
21
34
C379
1U
0603D
12
R427
15K
0603
12
L24
BEAD_600Z/100M
0603D
600Z-1608-0.2A
1 2
J19
USB/4PX1
SUYIN
2545A-04GXT
1
2
3
4
GND1
GND2
VCC
P-
P+
GND
GND1
GND2
L35
BEAD_600Z/100M
0603D
600Z-1608-0.2A
1 2
R362
560K
0603D
12
C356
0.1U
50V
0603D
12
R361
470K
0603D
12
L27 BEAD_33Z/100M/NA
0603D
1 2
JO9
1 2
R428
15K
0603
12
JO8
1 2
USBP0+(10)
USBP0-(10) USBP1-(10)
USBP1+(10)
USB_OC0_1#(10)

Related product manuals