EasyManua.ls Logo

MiTAC E-8590 - Page 240

Default Icon
252 pages
Print Icon
To Next Page IconTo Next Page
To Next Page IconTo Next Page
To Previous Page IconTo Previous Page
To Previous Page IconTo Previous Page
Loading...
5
5
4
4
3
3
2
2
1
1
D D
C C
B B
A A
1.65V
Base address:0:4EH/4FH 1:2EH/2FH
0:Norm operation 1:Test Mode
0:Enable Rom I/F as GPIO 1:Enable Flash Rom
Reserve for 4M ROM
SYS BIOS
Imax=2.3A
Imax=2.3A
monitor +2.5VS
(Thermistor 10K)
NEW
PCB-316674300001 / ASSY- 411674300003
R0A
E-NOTE_ID2
C
24 28Wednesday, October 09, 2002
Title
Size
Document
Number
Rev
Date: Sheet
of
D/ERR#
D/ACK#
D/BUSY
D/PE
D/SLIN#
D/SLCT
D/STB#
THERMDN
VID3
VID4
VID2
VID1
VID0
COM1RTS#
COM1DSR#
ISA_SD7
ISA_SD6
ISA_SD4
ISA_SD3
COM1DCD#
ISA_SD5
COM1TXD
ISA_SA17
ISA_ROMCS#
ISA_SA3
COM1DTR#
ISA_SD1
ISA_SA15
COM1CTS#
ISA_SA10
ISA_SA2
COM1RXD
ISA_SD2
ISA_SA12
COM1RI#
ISA_SD0
ISA_SA14
ISA_SA9
ISA_SA6
ISA_SA1
ISA_SA4
ISA_SA5
ISA_MEMW#
ISA_SA7
ISA_SA16
ISA_SA8
ISA_SA0
ISA_SA13
ISA_SA11
+FAN_P1
+FAN_P2
FDD_DSKCHG#
FDD_RDATA#
FDD_WPROT#
FDD_TRK0#
FDD_INDEX#
D/INIT#
D/AFD#
PRD0
PRD4
PRD1
PRD6
PRD5
PRD3
PRD2
FAN_ON2
FAN_SPEED1
FAN_ON1
THERMDP
PRD7
COM1RXD
COM1RTS#
ISA_ROMCS#
ISA_SA12
ISA_SA18
LPC_SUPIO
LPCIO_SMI#
FAN_SPEED2
HW12
HWCPU
COM1TXD
COM1CTS#
ISA_SD1
ISA_MEMW#
COM1TXD
PCI_SERIRQ
ISA_SD5
ISA_SD3
FAN_ON1
D/INIT#
COM1RTS#
LPC_LAD3
VREF
FAN_ON2
ISA_SA11
ISA_SA16
FDD_DSKCHG#
ISA_MEMR#
D/STB#
PRD6
ISA_SA5
ISA_SA6
ISA_SA10
D/AFD#
HW12
ISA_SA18
FDD_WPROT#
LPC_LDRQ#
LPC_LAD0
ISA_SA1
ISA_SA7
PRD4
PRD7
D/PE
FDD_RDATA#
VREF
PCI_LPC_SUPIO
COM1RI#
PRD5
COM1DTR#
ISA_SA8
PRD0
D/BUSY
ISA_SA3
D/ACK#
UVIN
COM1DSR#
D/ERR#
ISA_MEMR#
ISA_SD4
ISA_SA14
PRD1
PRD2
D/SLIN#
HW3V
HW5V
ISA_SA4
LPC_LDRQ#
FAN_SPEED2
LPC_SPIO_RESET#
UVIN
ISA_SA2
ISA_SA13
ISA_SA17
HWCPU
FAN_SPEED1
HW3V
ISA_SD0
ISA_SA9
PRD3
D/SLCT
LPC_FRAME#
LPC_LAD2
LPC_LAD1
COM1DCD#
ISA_SD6
FDD_INDEX#
HW5V
COM1DTR#
ISA_SD7
ISA_SD2
ISA_SA0
ISA_SA15
FDD_TRK0#
+3VS
GND
+3VS
GND
+3VS
GND
+3VS
GND
+5VS
+5VS
+5VS
+5VS
GND
+5VS
GND
+3VS
GND
GND
+3VS
+3VS
+3VS
GND
GND
+3VS
+5VS
GND
GND
GND
+3VS
GND
+5VS
GND
GND
+5VS
GND
GND
+3VS
GND
+12VS
+CPUCORES
+2.5VS
+3VS
GND
+12VS
+12V_CPU
GND
R403
10K
0603D
12
R1
Q21
DTC144TKA
SOT23AN_1
2
1 3
D2
RLS4148
MLL34B
A K
R394
4.7K
0603
12
RP81
4.7K*4
1206
1
2
3
4
8
7
6
5
R409 0 0603D
1 2
D29
A K
R398 1K
0603D
1 2
R78
0
0603D_DFS
12
RP84
1K*4
RPSOA_8C
1
2
3
4
8
7
6
5
D23
AK
R70
470K
0603D
12
R411 470 0603D
1 2
R371
4.7K
0603
12
R352
10K
0603D
12
C375
0.1U
50V
0603D
12
R355
10K
0603D
12
R407
47K
0603
1%
12
J10
HDR/MA-3
ACES
87505-0300
1
2
3
R399
10K/NA
0603D
12
D16
RLS4148
MLL34B
A K
J20
HDR/MA-3
ACES
87505-0300
1
2
3
R408 0 0603D
1 2
R321
0
0603D_DFS
12
R410 470 0603D
1 2
D24
AK
C364
0.1U/NA
50V
0603D
12
C388
0.1U
50V
0603D
12
R360 4.7K 0603D
1 2
D3
RLS4148
MLL34B
A K
C363
0.1U
50V
0603D
12
R400
10K
0603D
12
C382
0.1U
50V
0603D
12
D25
AK
R406
10K
0603
1%
12
R405
10K
0603
1%
12
RP78
470*4 1206
1
2
3
4
8
7
6
5
R363
10K
0603D
12
R77
10K
0603D
12
U28
32P/PLCC/SMT
PLCC32
12
11
10
9
8
7
6
5
27
26
23
25
4
28
29
3
2
22
24
1
31
13
14
15
17
18
19
20
21
32
16
30
A0
A1
A2
A3
A4
A5
A6
A7
A8
A9
A10
A11
A12
A13
A14
A15
A16
CE#
OE#
VPP
WE#
O0
O1
O2
O3
O4
O5
O6
O7
VCC
VSS
A17
D18
AK
R5
0
0805
12
R366
0
0603D
12
D19
AK
TP521
1
RP86
4.7K*4
RPSOA_8C
1
2
3
4
8
7
6
5
R1
Q7
DTC144TKA
SOT23AN_1
2
1 3
D17
RLS4148
MLL34B
A K
R401
6.8K
1%
0603D
12
RP83
4.7K*4
1206
1
2
3
4
8
7
6
5
D30
A K
R73
10K
0603D
12
R397
4.7K
0603
12
R383
4.7K
0603D
12
D20
AK
R357
10K
0603D
12
C351
0.1U
50V
0603D
12
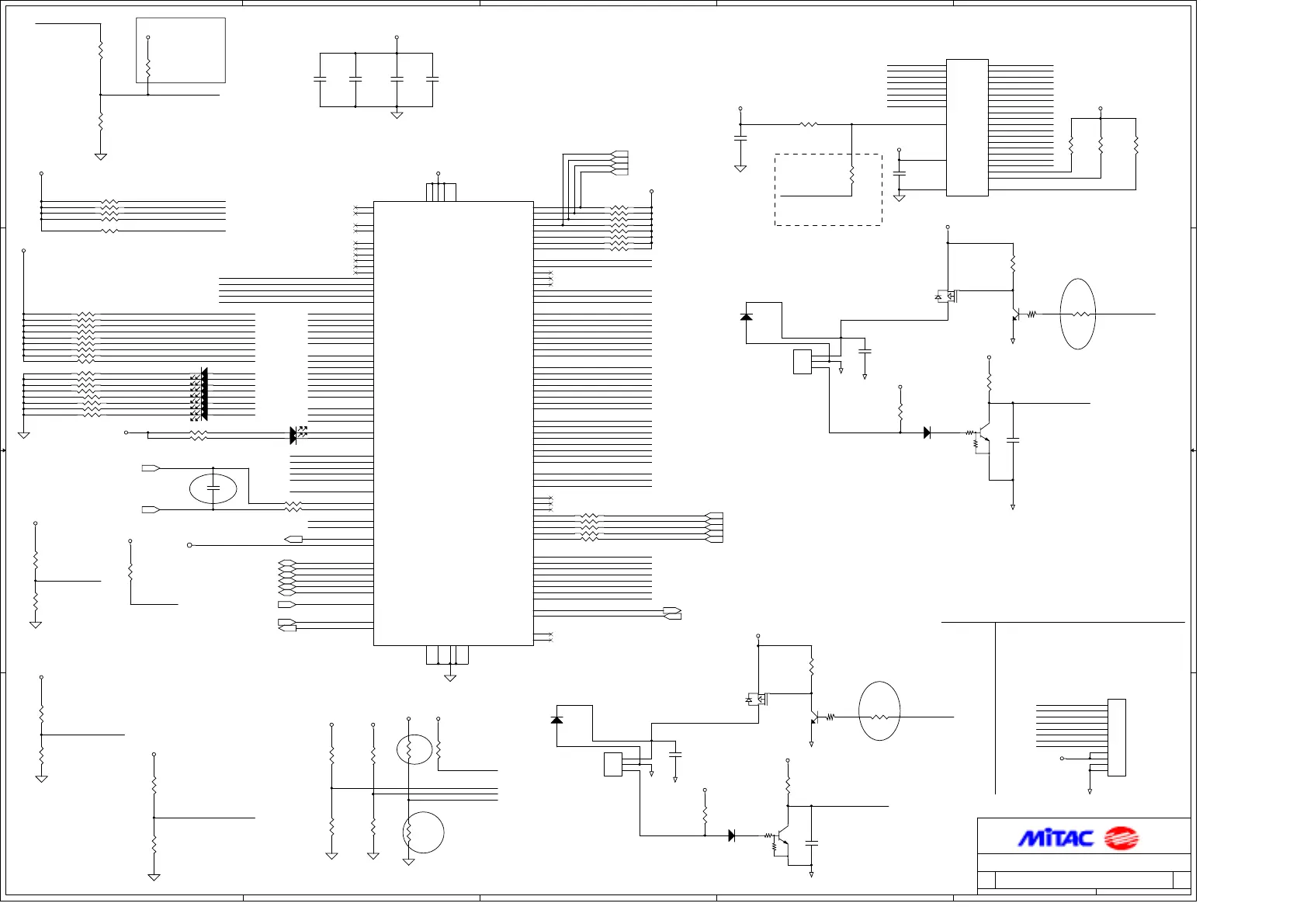
U27
VT1211
PQFP128A_0.5MM
1
2
3
4
5
7
8
9
10
11
12
14
15
16
29
30
31
32
33
34
35
36
37
38
39
40
41
42
43
44
45
46
55
56
57
58
59
61
62
63
66
67
68
69
70
71
72
73
74
75
76
77
78
79
80
81
82
83
84
85
119
120
6
116
115
102
101
100
97
96
95
94
93
92
91
89
88
87
86
99
105
106
110
111
112
22
128
127
126
125
124
123
122
121
47
48
49
50
51
52
53
54
103
104
107
108
109
64
65
25
26
113
114
117
118
24
23
19
27
28
21
20
13
18
60
90
98
17
DSEL0#
INDEX#
MTRA#
DRVB#
VCC0
MTRB#
DIR#
STEP#
WDATA#
WGATE#
TRCAK0#
RDATA#
HDSEL#
DSKCHG#
SLCT
PE
BUSY
ACK#
ERR#
SLIN#
PD7
PD6
PD5
PD4
PD3
PD2
PD1
PD0
INIT#
AFD#
VCC2
STB#
GP77/VID4/CTS2#
GP76/VID3/DSR2#
GP75/VID2/RTS2#
GP74/VID1/DTR2#
GP73/VID0/SIN2
GP72/SMBCK/SOUT2
GP71/SMBDT/DCD2#
GP70/RI2#
XA18/GP62
XA17/GP61
XA16/GP60
XA15/GP57
XA14/GP56
XA13/GP55
XA12/GP54
XA11/GP53
XA10/GP52
VCC3
XA9/GP51
XA8/GP50
XA7/GP47
XA6/GP46
XA5/GP45
XA4/GP44
XA3/GP43
XA2/GP42
XA1/GP41
XA0/GP40
MSI/OVFAN#(GP51)/WDTO
MSO/OVOLT#(PLED)/DSEL1(GP50)
DRVA#
FANOUT1/GP20
FANOUT2/GP21
PLED/ITMOFF/GP22/VBAT
COPEN/GP23/ATEST
IRRX/GP24/CIRRX
MEMW#/GP25
MEMR#/GP26
ROMCS#/GP27
XD0/GP30
XD1/GP31
XD2/GP32
XD3/GP33
XD4/GP34
XD5/GP35
XD6/GP36
XD7/GP37
GNDD/VSS
VCCA
VREF
DTDN
DTDP
GNDA
VCC1
JAB1/P12/GP10
JBB1/P13/GP11
JACX/P14/GP12
JBCX/P15/GP13
JBCY/P16/GP14
JACY/GP15
JBB2/GP16
JAB2/GP17
CTS1#
DSR1#
RTS1#
DTR1#
SIN1
SOUT1
DCD1#
RL1#
UIC1
UIC2
UIC3
UIC4
UIC5
IRRX
IRTX
LAD1
LAD0
FANIO2
FANIO1/DTEST
OVTEMP#/SMI#(W)
BEEP
LAD2
LAD3
PCICLK
LFRAME#
LRESET#
SERRIRQ
LDRQ#
WPT#
GND
GNDD[0]
GNDD[1]
SMI#/PME#
CLKIN
R359
10K
0603D
12
RP79 470*4 1206
1
2
3
4
8
7
6
5
C116
0.1U
50V
0603D
12
J501
HDR/MA-12
ACES
87151-1207/NA
CONN_ACES87151_12
1
2
3
4
5
6
7
8
9
10
11
12
C352
0.1U
50V
0603D
12
RP80
0*4/NA
1206
1
2
3
4
8
7
6
5
C355
0.1U/NA
50V
0603D
12
D21
AK
R404
15K
0603
1%
12
R356
0603D
0/NA
1 2
RP85
4.7K*4
RPSOA_8C
1
2
3
4
8
7
6
5
R353
10K/NA
0603D
12
D
SG
Q20
SI2301DS
SOT23_FET
G
D S
R388
0/NA
0603D
1 2
C123
0.1U/NA
50V
0603D
12
Q5
DTC144WK
SOT23AN_1
1
2
3
R354
10K/NA
0603D
12
R402
10K
0603
1%
12
R322
470K
0603D
12
D
SG
Q6
SI2301DS
SOT23_FET
G
D S
C389
100P
0603D
12
Q22
DTC144WK
SOT23AN_1
1
2
3
D22
AK
R358
10K/NA
0603D
12
LPC_FRAME#(11)
LPC_LAD3(11)
LPC_LAD0(11)
LPC_LAD2(11)
LPC_LAD1(11)
PCI_LPC_SUPIO(17)
LPC_SPIO_RESET#(4,10,12)
THERMDN(2)
VID4 (2,25)
VID3 (2,25)
VID0 (2,25)
VID2 (2,25)
VID1 (2,25)
LPC_LDRQ#(11)
PCI_SERIRQ(11,13,23)
THERMDP(2)
SIO_THRMALARM#(27)
SB_LCD_ID0 (4)
SB_LCD_ID2 (4)
SB_LCD_ID1 (4)
SB_LCD_ID3 (4)
LPCIO_SMI# (9,23)
LPC_SUPIO (17)

Related product manuals