EasyManua.ls Logo

Mitel MX-ONE - Analog Extensions ELU34; Digital Extensions

Mitel MX-ONE
49 pages
Print Icon
To Next Page IconTo Next Page
To Next Page IconTo Next Page
To Previous Page IconTo Previous Page
To Previous Page IconTo Previous Page
Loading...
21/1531-ASP11301 Uen B3 2016-02-17 36
C
ONNECTION OF EXTERNAL CABLES
4.3 ANALOG EXTENSIONS ELU34
ELU34 is a 32 individuals analog extension line unit intended for normal analog tele-
phones, with functionality for both message waiting and call metering. A parallel tele-
phone, an extra bell or a FAX can be connected to an ELU34.
Note: ELU34 has to have individual 0 activated as the first individual and removed as
the last individual, or else the communications with the board will fail.
If done in the wrong order individuals will be blocked.
Note: An external primary protection circuit shall be used as an additional protection
when outdoor lines from other buildings are connected to the board. This protec-
tion circuit must have a striking voltage higher than 280 VDC.
Note: A remaining high voltage may remain on the board when the board is removed
from the subrack with the power still on, a so called “hotswap”. Do not touch the
board component or solder points for a few minutes after the removal. To reduce
the high voltage to a safe level, leave the board un-plugged in the subrack for at
least 15 seconds.
4.4 DIGITAL EXTENSIONS
As an example, digital system telephones may have the type designations DBC 2XX
connected to ELU33.
Only one system telephone per line can be connected, no parallel telephone or extra
bell.
Note: The board must not have any open cable ends.
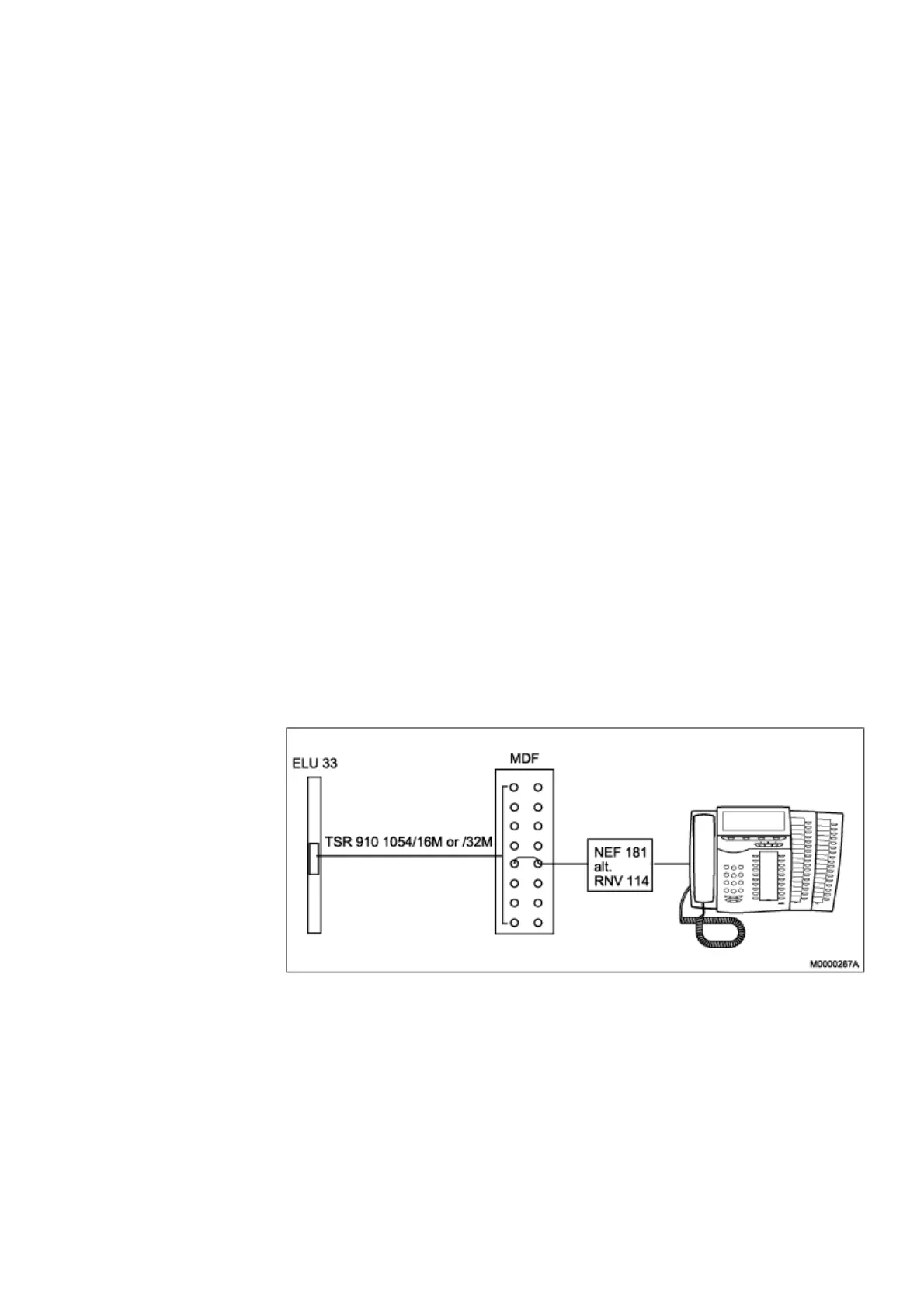
4.4.1 ELU33
Figure 24: Example with system telephone DBC 2xx, ELU33 - MDF (32 pairs)
The installation instructions 1/LZT 102 537 and 1/LZT 102 762 show how the wires are
connected to terminal block NEF 181 or RNV 114. Regarding connection of system
telephone DBC 2xx:
see the installation instructions for TELEPHONE SET DBC 220 01
see the installation instructions for TELEPHONE SETS DBC 222 01, DBC 223 01, DBC
224 01, DBC 225 01, KEY PANEL UNIT DBY 419 01 AND OPTION UNIT DBY 420 01.

Table of Contents

Other manuals for Mitel MX-ONE

Related product manuals